Pravouhlé prevody OW2 verzia 10 s polyketónovými kužeľovými kolesami, prevodový pomer 1:1
Material: Housing made from zinc die-cast ZnAI4Cu1. Shafts made from stainless steel 1.4301 (AISI 304), dismountable. Bevel gears from acetal or polyketone resin, injection-moulded.
• Low cost angular gear drive, ratio 1:1, 6 sizes.
• Suitable for lower torques and intermittend use.
• Shafts running directly in the self-lubricating housing material.
• Easy to mount and maintenance-free.
Polyketone: Lower friction,much larger lifespan. Much higher safety against tooth breaking. Shaft angle = 90º. Temperature range - 20°C to +100º C.
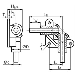
| SKU | d [mm] | D [mm] | E1 [mm] | E2 [mm] | HGes [mm] | HM [mm] | LE [mm] | LW [mm] | r [mm] | s [mm] | T [mm] | Module | No. of Teeth | MDzul. [Ncm] | Weight [g] |
|---|---|---|---|---|---|---|---|---|---|---|---|---|---|---|---|
| 41035610 | 5 h9 | 12 | 32 | 19,4 | 18,8 | 10 | 50 | 15 | 6 | 4,8 | 4 | 1 | 16/16 | 8,7 | 55 |
| 41035615 | 8 h9 | 18 | 45 | 28,4 | 28,2 | 15 | 70 | 20 | 9 | 5,8 | 4 | 1,5 | 16/16 | 30 | 175 |
| 41035620 | 10 h6 | 22 | 55 | 35,0 | 37,5 | 20 | 90 | 30 | 11 | 7,0 | 6 | 2 | 16/16 | 77 | 320 |
| 41035625 | 12 h6 | 25 | 65 | 41 | 46,8 | 25 | 105 | 35 | 12,5 | 9,0 | 7 | 2,5 | 16/16 | 152 | 495 |
| 41035630 | 15 h6 | 30 | 75 | 47,5 | 56,2 | 30 | 120 | 40 | 15 | 9,0 | 8 | 3 | 16/16 | 263 | 780 |
| 41035635 | 18 h6 | 33 | 85 | 54,0 | 65,7 | 35 | 135 | 45 | 16 | 11,0 | 9 | 3,5 | 16/16 | 462 | 1095 |