Pravouhlé prevody OW3 verzia 30 R, prevodový pomer 1:1
Material: Housing from zinc die-cast ZnAI4Cu1.
Shafts made from stainless steel 1.4301 (AISI 304), dismountable.
Bevel gears from polyacetal resin, injection-moulded.
• Open angular gear drive, ratio 1:1.
• Suitable for lower torques and intermittend use.
• Shafts running directly in the self-lubricating housing material.
• Easy to mount and maintenance-free.
• Number of teeth: 16/16.
• Shaft angle: 90º.
• Temperature range: - 20°C to +100º C.
Two shafts with two bevel gears. On the long, straight-through shaft, the bevel gear is at the right side, refered to the short shaft. The shaft for the power input and it´s sense of rotation can be chosen freely.
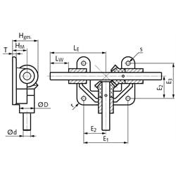
| SKU | d [mm] | D [mm] | E1 [mm] | E2 [mm] | E3 [mm] | HGes [mm] | HM [mm] | LE [mm] | LW [mm] | r [mm] | s [mm] | T [mm] | Modul | zul. MD [Ncm] | Gewicht [g] |
|---|---|---|---|---|---|---|---|---|---|---|---|---|---|---|---|
| 41035910 | 5 h9 | 12 | 38,8 | 19,4 | 32 | 18,8 | 10 | 50 | 15 | 6 | 4,8 | 4 | 1 | 8,3 | 84 |
| 41035915 | 8 h9 | 18 | 56,8 | 28,4 | 45 | 28,2 | 15 | 70 | 20 | 9 | 5,8 | 5 | 1,5 | 29 | 250 |
| 41035920 | 10 h6 | 22 | 70 | 35 | 55 | 37,5 | 20 | 90 | 30 | 11 | 7 | 6 | 2 | 73 | 490 |
| 41035925 | 12 h6 | 25 | 82 | 41 | 65 | 46,8 | 25 | 105 | 35 | 12,5 | 9 | 7 | 2,5 | 145 | 748 |
| 41035930 | 15 h6 | 30 | 95 | 47,5 | 75 | 56,2 | 30 | 120 | 40 | 15 | 9 | 8 | 3 | 250 | 1185 |
| 41035935 | 18 h6 | 33 | 108 | 54 | 85 | 65,7 | 35 | 135 | 45 | 16 | 11 | 9 | 3,5 | 440 | 1680 |