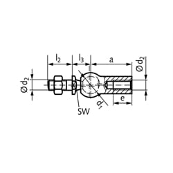
Axiálne kĺby podobné DIN 71802, nehrdzavejúca oceľ
Material: Stainless steel 1.4301 (AISI 304).
With threaded bolt and hexagon nut.
Right-hand thread in the socket.
| SKU | d1H9/h9 [mm] | d2 [mm] | SWh14 [mm] | a+/-0,3 [mm] | e [mm] | l2+/-0,3 [mm] | l3+/-3 [mm] | Schwenkwinkel [°] | Auszugskraft F [N] | Gewicht [g] |
|---|---|---|---|---|---|---|---|---|---|---|
| 63699305 | 8 | M5 | 7 | 22 | 10,2 | 10,2 | 9 | 18 | 30 | 15,2 |
| 63699306 | 10 | M6 | 8 | 25 | 11,5 | 12,5 | 11 | 18 | 40 | 25,2 |
| 63699308 | 13 | M8 | 11 | 30 | 14 | 16,5 | 13 | 18 | 60 | 53,1 |
| 63699310 | 16 | M10 | 13 | 35 | 15,5 | 20 | 16 | 18 | 80 | 103,8 |
| 63699314 | 19 | M14x1,5 | 16 | 45 | 21,5 | 28 | 20 | 18 | 100 | 220,9 |