Voľnobežky s guličkovými ložiskami, konštrukcia BB-2GD
These sprag freewheels with integrated ball bearings in premium quality can be used as indexing freewheels, backstops or overrunning clutches. They are installed in housings provided by the customer.
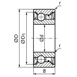
Design BB-2GD: Standard freewheels without keyways. This version is 5mm wider than the BB version. Lip seal on both sides against dust and splash water.
Version 1KK: With keyway on inner ring according to DIN 6885-3.
Lubrication: The freewheels are filled with grease for normal operating conditions and are maintenance-free. Do not use greases or lubricants with EP additives.
Temperature range: -30°C to + 100°C.
Other versions on request.
| SKU | d [mm] | D [mm] | D1 [mm] | B [mm] | r [mm] | Drehmoment [Nm] | Schleppmoment [Nm] | max. Überholdrehzahl Innenring [min-1] | max. Überholdrehzahl Außenring [min-1] | Tragzahlenradial dyn. C [N] | Tragzahlenradial stat. C0 [N] | Gewicht [g] |
|---|---|---|---|---|---|---|---|---|---|---|---|---|
| BB15-2GD | 15 | 35 | 32,45 | 16 | 0,6 | 29 | 0,040 | 3600 | 2000 | 5950 | 3230 | 70 |
| BB17-2GD | 17 | 40 | 36,45 | 17 | 0,6 | 43 | 0,050 | 3500 | 1900 | 7000 | 3700 | 100 |
| BB20-2GD | 20 | 47 | 42,35 | 19 | 1,0 | 61 | 0,055 | 3000 | 1600 | 8500 | 4900 | 150 |
| BB25-2GD | 25 | 52 | 47,05 | 20 | 1,0 | 78 | 0,055 | 2500 | 1400 | 10700 | 6300 | 200 |
| BB30-2GD | 30 | 62 | 55,6 | 21 | 1,0 | 140 | 0,058 | 2000 | 1100 | 11900 | 7900 | 280 |
| BB35-2GD | 35 | 72 | 64,6 | 22 | 1,1 | 173 | 0,060 | 1800 | 1000 | 13500 | 9700 | 410 |
| BB40-2GD | 40 | 80 | 71,6 | 27 | 1,1 | 260 | 0,080 | 1800 | 900 | 14500 | 11700 | 600 |