Voľnobežky s guličkovými ložiskami, konštrukcia BB
These sprag freewheels with integrated ball bearings in premium quality can be used as indexing freewheels, backstops or overrunning clutches. They are installed in housings provided by the customer.
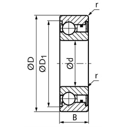
Standard freewheels without keyways. Sealed on the sprag side with a z-washer. On the bearing side, the freewheel closes with the bearing cage. The BB design has the same dimensions as ball bearing series 62.
Lubrication: The freewheels are filled with grease for normal operating conditions and are maintenance-free. Do not use greases or lubricants with EP additives.
Temperature range: -30°C to + 100°C.
Other versions on request.
2) The dimension B does not correspond to the ball bearing 6208 with the dimensions 40 x 80 x 18mm.
| SKU | d [mm] | D [mm] | D1 [mm] | B [mm] | r [mm] | Drehmoment [Nm] | Schleppmoment [Nm] | max. Überholdrehzahl Innenring [min-1] | max. Überholdrehzahl Außenring [min-1] | Tragzahlenradial dyn. C [N] | Tragzahlenradial stat. C0 [N] | Gewicht [g] |
|---|---|---|---|---|---|---|---|---|---|---|---|---|
| BB15 | 15 | 35 | 32,6 | 11 | 0,6 | 29 | 0,010 | 3600 | 2000 | 5950 | 3230 | 50 |
| BB17 | 17 | 40 | 36,1 | 12 | 0,6 | 43 | 0,010 | 3500 | 1900 | 7000 | 3700 | 80 |
| BB20 | 20 | 47 | 41,7 | 14 | 1,0 | 61 | 0,014 | 3000 | 1600 | 8500 | 4900 | 120 |
| BB25 | 25 | 52 | 47,1 | 15 | 1,0 | 78 | 0,017 | 2500 | 1400 | 10700 | 6300 | 150 |
| BB30 | 30 | 62 | 56,6 | 16 | 1,0 | 140 | 0,030 | 2000 | 1100 | 11900 | 7900 | 230 |
| BB35 | 35 | 72 | 64,0 | 17 | 1,1 | 173 | 0,034 | 1800 | 1000 | 13500 | 9700 | 320 |
| BB40 | 40 | 80 | 71,0 | 22 2) | 1,1 | 260 | 0,040 | 1800 | 900 | 14500 | 11700 | 400 |