Guličkové prírubové ložisko SSBPFL, nehrdzavejúca oceľ
Material: Housing from two-part sheets: Stainless steel 1.4305 (X5CrNi18-10, AISI 304). Rolling bearing: Stainless steel 1.4125 (X105CrMo17, AISI 440 C), lubricated with grease FM 222 for food processing machinery, with registration FDA, CIFA, KPF2K-20, NSF H1. Temperature range: -20°C to +90°C (for short time up to +120°C).
With 2 mounting holes. The rolling bearing can be swiveled when mounting to compensate shaft misalignement. The shaft will get fastened with 2 setscrews. Lubricated for life at normal operating conditions. Re-lubricating is not possible.
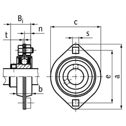
| SKU | Type | Bore [mm] | a [mm] | e [mm] | t [mm] | b [mm] | c [mm] | s [mm] | Bi [mm] | n [mm] | Admissible Chassis Load [kg] | Bearing Load Rating dyn. C | Bearing Load Rating stat. Co | Weight [kg] |
|---|---|---|---|---|---|---|---|---|---|---|---|---|---|---|
| 62699512 | SSBPFL 201 | 12 | 81 | 63,5 | 2 | 14 | 59 | 7,1 | 22 | 6 | 2,65 | 9,6 | 4,8 | 0,19 |
| 62699515 | SSBPFL 202 | 15 | 81 | 63,5 | 2 | 14 | 59 | 7,1 | 22 | 6 | 2,65 | 9,6 | 4,8 | 0,19 |
| 62699517 | SSBPFL 203 | 17 | 81 | 63,5 | 2 | 14 | 59 | 7,1 | 22 | 6 | 2,65 | 9,6 | 4,8 | 0,19 |
| 62699520 | SSBPFL 204 | 20 | 90 | 71,5 | 2 | 16 | 67 | 9 | 25 | 7 | 3,09 | 12,9 | 6,7 | 0,24 |
| 62699525 | SSBPFL 205 | 25 | 95 | 76,0 | 2 | 18 | 71 | 9 | 27 | 7,5 | 3,53 | 14,0 | 7,9 | 0,28 |
| 62699530 | SSBPFL 206 | 30 | 113 | 90,5 | 2,6 | 19 | 84 | 11 | 30 | 8 | 4,90 | 19,5 | 11,3 | 0,38 |
| 62699535 | SSBPFL 207 | 35 | 123 | 100 | 2,6 | 20 | 94 | 11 | 32 | 8,5 | 6,23 | 25,7 | 15,3 | 0,58 |