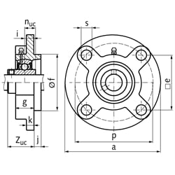
Guličkové prírubové ložiská UCFC, sivá liatina
Material: Housing from grey cast iron. Rolling bearing from bearing steel.
With 4 mounting holes. Round shape with centring spigot. The rolling bearing can be swiveled when mounting to compensate shaft misalignement. The shaft will get fastened with 2 setscrews. Lubricated for life at normal operating conditions. Re-lubricating is possible. Delivery with grease nipple.
| SKU | Typ | Bohrung [mm] | a [mm] | p [mm] | e [mm] | s [mm] | j [mm] | k [mm] | g [mm] | f [mm] | Zuc [mm] | nuc [mm] | i [mm] | Lager-Tragzahl dyn. C [k N] | Lager-Tragzahl stat. C0 [k N] | Gewicht [kg] |
|---|---|---|---|---|---|---|---|---|---|---|---|---|---|---|---|---|
| 62621200 | UCFC 201 | 12 | 100 | 78 | 55,1 | 12 | 5 | 7 | 20,5 | 62 h9 | 28,3 | 12,7 | 10 | 9,9 | 6,2 | 0,85 |
| 62621500 | UCFC 202 | 15 | 100 | 78 | 55,1 | 12 | 5 | 7 | 20,5 | 62 h9 | 28,3 | 12,7 | 10 | 9,9 | 6,2 | 0,85 |
| 62621700 | UCFC 203 | 17 | 100 | 78 | 55,1 | 12 | 5 | 7 | 20,5 | 62 h9 | 28,3 | 12,7 | 10 | 9,9 | 6,2 | 0,85 |
| 62622000 | UCFC 204 | 20 | 100 | 78 | 55,1 | 12 | 5 | 7 | 20,5 | 62 h9 | 28,3 | 12,7 | 10 | 9,9 | 6,2 | 0,85 |
| 62622500 | UCFC 205 | 25 | 115 | 90 | 63,6 | 12 | 6 | 7 | 21 | 70 h9 | 29,7 | 14,3 | 10 | 10,8 | 7,0 | 1,10 |
| 62623000 | UCFC 206 | 30 | 125 | 100 | 70,7 | 12 | 8 | 8 | 23 | 80 h9 | 32,2 | 15,9 | 10 | 15,1 | 10,0 | 1,17 |
| 62623500 | UCFC 207 | 35 | 135 | 110 | 77,8 | 14 | 8 | 9 | 26 | 90 h9 | 36,4 | 17,5 | 11 | 19,9 | 13,7 | 1,75 |
| 62624000 | UCFC 208 | 40 | 145 | 120 | 84,8 | 14 | 10 | 9 | 26 | 100 h9 | 41,2 | 19,0 | 11 | 22,6 | 15,7 | 2,15 |
| 62624500 | UCFC 209 | 45 | 160 | 132 | 93,3 | 16 | 12 | 14 | 26 | 105 h10 | 40,2 | 19,0 | 10 | 25,2 | 17,8 | 3,10 |
| 62625000 | UCFC 210 | 50 | 165 | 138 | 97,6 | 16 | 12 | 14 | 28 | 110 h10 | 42,6 | 19,0 | 10 | 27,1 | 19,7 | 4,25 |
| 62625500 | UCFC 211 | 55 | 185 | 150 | 106,1 | 19 | 12 | 15 | 31 | 125 h10 | 46,4 | 22,2 | 13 | 33,4 | 29,2 | 3,90 |
| 62626000 | UCFC 212 | 60 | 195 | 160 | 113,1 | 19 | 12 | 15 | 36 | 135 h10 | 56,7 | 25,4 | 17 | 47,8 | 33,0 | 3,25 |
| 62626500 | UCFC 213 | 65 | 205 | 170 | 120,2 | 19 | 14 | 15 | 36 | 145 h10 | 55,7 | 25,4 | 16 | 44,0 | 40,0 | 5,60 |
| 62627000 | UCFC 214 | 70 | 215 | 177 | 125,1 | 19 | 14 | 18 | 40 | 150 h10 | 61,4 | 30,2 | 17 | 46,8 | 45,0 | 6,90 |
| 62627500 | UCFC 215 | 75 | 220 | 184 | 130,1 | 19 | 16 | 18 | 40 | 160 h10 | 62,5 | 33,3 | 18 | 50,9 | 49,3 | 7,80 |
| 62628000 | UCFC 216 | 80 | 240 | 200 | 141,4 | 23 | 16 | 18 | 42 | 170 h10 | 67,3 | 33,3 | 18 | 55,0 | 53,3 | 9,60 |
| 62628500 | UCFC 217 | 85 | 250 | 208 | 147,1 | 23 | 18 | 20 | 45 | 180 h10 | 69,6 | 34,1 | 18 | 64,0 | 63,6 | 10,90 |
| 62629000 | UCFC 218 | 90 | 265 | 220 | 155,5 | 23 | 18 | 20 | 50 | 190 h10 | 78,3 | 39,7 | 22 | 73,8 | 71,5 | 13,35 |