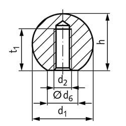
Guľové rukoväte DIN 319, verzia C, oceľ
Material: Steel, polished.
Version C = With thread.
Material: Steel, polished.
Version C = With thread.