Kužeľové súkolesie vyrobené zo zinkového tlakového odliatku, pomer 1:1
Material: Zinc die-cast ZnAI4Cu1.
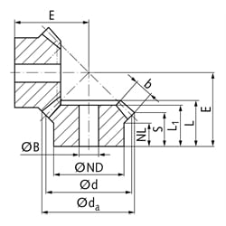
Shaft angle = 90°. Bores machined. The bevel gears only run as a pair at the stated ratio. In the torque calculation of zinc-die-cast bevel gears only the root strength was considered. Due to the material properties these gears are only to a limited extend suitable for continuous operation. Note for ordering: These gears are sold singulary, not by pair. For a pair of bevel gears, you have to order two matching gears of the same module and ratio. At ratio 1:1, you need two pieces of the same number of teeth. At ratio uneven 1:1, you need two pieces with a different number of teeth of the same ratio.
| SKU | Transmission | Module | No. of Teeth | da [mm] | d [mm] | ND [mm] | NL [mm] | L1 [mm] | L [mm] | b [mm] | BH9 [mm] | E [mm] | Admissible MD [Ncm] | Weight [g] | Corresponding Counter Wheel [Article-No.] |
|---|---|---|---|---|---|---|---|---|---|---|---|---|---|---|---|
| 35850700 | 1:1 (16/16) | 1 | 16 | 17,5 | 16 | 12 | 7,5 | 13,0 | 13,0 | 4,5 | 6 | 17,9 | 14 | 7 | 35850700 |
| 35870700 | 1:1 (16/16) | 1,5 | 16 | 26 | 24 | 19 | 10,7 | 17,0 | 18,6 | 6,9 | 8 | 25,5 | 46 | 27 | 35870700 |
| 35900700 | 1:1 (16/16) | 2 | 16 | 34,6 | 32 | 23 | 10 | 19,2 | 21,3 | 9,6 | 10 | 30,0 | 110 | 52 | 35900700 |
| 35910700 | 1:1 (16/16) | 2,5 | 16 | 43,3 | 40 | 26 | 12 | 23,0 | 25,5 | 12,3 | 12 | 36,2 | 230 | 88 | 35910700 |
| 35940700 | 1:1 (16/16) | 3 | 16 | 52,3 | 48 | 30 | 13 | 26,0 | 29,3 | 14 | 14 | 42,5 | 380 | 146 | 35940700 |
| 35950700 | 1:1 (16/16) | 3,5 | 16 | 61,4 | 56 | 34 | 14 | 29,2 | 33,2 | 15,5 | 16 | 49,4 | 580 | 228 | 35950700 |