Kužeľové súkolesie, oceľ, systém so špirálovými zubami, pomer 1:1
Material up to module 1.5: 42CrMo4 teeth induction hardened.
Material from module 2.0: 16MnCr5, teeth case hardened.
Hubs and bores soft.
** Gears with ground hub contact surfaces and bores.
*** Not hardened.
Tooth quality 8 modelled on DIN 3967. Sold in pairs only.
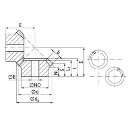
| SKU | Transmission [i] | Module | No. of Teeth | da [mm] | d [mm] | ND [mm] | NL [mm] | L1 [mm] | L [mm] | S [mm] | b [mm] | BH7 [mm] | E [mm] | Admissible MD [Nm] | Weight/Pair [g] |
|---|---|---|---|---|---|---|---|---|---|---|---|---|---|---|---|
| 38530800 | 1 : 1 | 0,6 | 16 / 16 | 15,8 | 15,5 | 10 | 4,5 | 9 | 10,0 | 7,7 | 3,3 | 5 | 15 | 0,64 | 12 |
| 38531000 | 1 : 1 | 0,6 | 20 / 20 | 16,9 | 16,5 | 12 | 6,5 | 11 | 12,0 | 9,2 | 4 | 5 | 17 | 1,27 | 19 |
| 38531600 | 1 : 1 | 0,6 | 25 / 25 | 23,3 | 22,5 | 19 | 7,2 | 12 | 13,4 | 9,2 | 6 | 6 | 20 | 2,1 | 50 |
| 38532000 | 1 : 1 | 0,6 | 30 / 30 | 27,8 | 27 | 22 | 7,0 | 13 | 14,9 | 9,9 | 7 | 8 | 23 | 3,0 | 75 |
| 38532200 | 1 : 1 | 0,6 | 35 / 35 | 32,3 | 31,5 | 25 | 7,2 | 15 | 16,3 | 10,6 | 8 | 8 | 26 | 3,5 | 116 |
| 38550800 | 1 : 1 | 1 | 16 / 16 | 25,4 | 24 | 17 | 7,5 | 13,5 | 15,95 | 11,7 | 6 | 6 | 23 | 2,5 | 55 |
| 38551100 | 1 : 1 | 1 | 20 / 20 | 31,4 | 30 | 25 | 8,4 | 15 | 17,3 | 11,7 | 8 | 8 | 26 | 6,3 | 112 |
| 38551600 | 1 : 1 | 1 | 25 / 25 | 38,9 | 37,5 | 25 | 8 | 16 | 19,0 | 11,9 | 10 | 10 | 30 | 10,0 | 155 |
| 38552000 | 1 : 1 | 1 | 30 / 30 | 46,4 | 45 | 30 | 8 | 19 | 21,7 | 13,2 | 12 | 10 | 35 | 14,3 | 278 |
| 38561100 | 1 : 1 | 1,3 | 20 / 20 | 41,8 | 40 | 30 | 7,3 | 19 | 20,7 | 12,9 | 11 | 10 | 32 | 14,8 | 222 |
| 38561600 | 1 : 1 | 1,3 | 25 / 25 | 51,8 | 50 | 30 | 8 | 19 | 21,8 | 11,9 | 14 | 10 | 36 | 18,5 | 326 |
| 38562000 | 1 : 1 | 1,3 | 30 / 30 | 61,8 | 60 | 35 | 8 | 21 | 24,2 | 12,9 | 16 | 12 | 42 | 31,5 | 530 |
| 38570900 | 1 : 1 | 1,5 | 18 / 18 | 41,7 | 39,6 | 30 | 8 | 17 | 20,3 | 13,2 | 10 | 10 | 32 | 15,9 | 209 |
| 38571500 | 1 : 1 | 1,5 | 24 / 24 | 54,9 | 52,8 | 35 | 8 | 20 | 22,6 | 12,7 | 14 | 10 | 38 | 21,2 | 408 |
| 38571900 | 1 : 1 | 1,5 | 28 / 28 | 63,7 | 61,6 | 40 | 8 | 20 | 23,2 | 13,3 | 14 | 12 | 43 | 34,5 | 576 |
| 38601200 | 1 : 1** | 2,2881 | 21 / 21 | 71,5 | 70 | 45 | 15 | 28 | 32,22 | 22,5 | 15 | 16 | 55 | 70,0 | 973 |
| 38601700 | 1 : 1** | 2,236 | 24 / 24 | 79 | 78 | 45 | 15 | 29 | 32,48 | 23,71 | 14 | 16 | 60 | 72,8 | 1200 |
| 38101900 | 1 : 1*** | 2 | 26 / 26 | 82,00 | 80 | 55 | 20 | 35 | 37,73 | 26,83 | 16 | 16 | 65 | 42,0 | 1581 |
| 38611200 | 1 : 1** | 2,5 | 19 / 19 | 90 | 88 | 56 | 18 | 34 | 36,91 | 23,5 | 20 | 20 | 65 | 185 | 1700 |
| 38611700 | 1 : 1** | 2,5 | 24 / 24 | 98,0 | 96 | 54 | 16 | 32 | 37,2 | 24,5 | 19 | 20 | 70 | 188 | 2000 |
| 38111900 | 1 : 1*** | 2,5 | 28 / 28 | 109,90 | 106,4 | 70 | 25 | 44 | 47,70 | 33,60 | 20 | 20 | 85 | 98,6 | 3400 |
| 38641200 | 1 : 1** | 3 | 21 / 21 | 103,0 | 100 | 68 | 17 | 36 | 43,38 | 27,74 | 23 | 25 | 75 | 240 | 2600 |
| 38641700 | 1 : 1** | 3 | 24 / 24 | 115,0 | 112 | 64 | 18 | 34 | 41,70 | 26,7 | 22 | 25 | 80 | 260 | 2800 |
| 38651700 | 1 : 1** | 3,5 | 24 / 24 | 131,0 | 128 | 72 | 20 | 38 | 46,15 | 29,45 | 25 | 30 | 90 | 396 | 4200 |
| 38151900 | 1 : 1*** | 3,5 | 26 / 26 | 144,0 | 140 | 85 | 30 | 57 | 62,30 | 43,0 | 28 | 30 | 110 | 238 | 7300 |