Kužeľové súkolesie, oceľ, systém s rovnými zubami, pomer 2,5:1
Material: up to module 2: 11SMn30+SH (1.0715). From module 2.5: C45.
Tooth quality 8 modelled on DIN 3967 (from module 2).
With crowned, milled teeth. Not hardened – not lapped.
Shaft angle = 90º.
The bevel gears only run as a pair at the stated ratio and at the same module.
Note for ordering: These gears are sold singulary, not by pair. For a pair of bevel gears, you have to order two matching gears of the same module, with a different number of teeth of the same ratio.
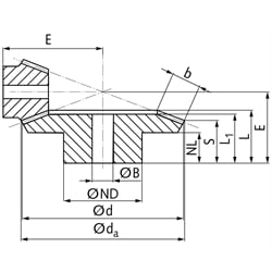
| SKU | Transmission [i] | Module | No. of Teeth | da [mm] | d [mm] | ND [mm] | NL [mm] | L1 [mm] | L [mm] | S [mm] | b [mm] | BH7 [mm] | E [mm] | Admissible MD [Nm] | Weight [g] | Corresponding Counter Wheel [Article-No.] |
|---|---|---|---|---|---|---|---|---|---|---|---|---|---|---|---|---|
| 36027200 | 2,5:1 (20/50) | 0,5 | 20 | 11,3 | 10 | 8 | 4 | 7 | 7,6 | 4,9 | 3 | 4 | 17,1 | 0,018 | 3 | 36027300 |
| 36027300 | 2,5:1 (20/50) | 0,5 | 50 | 25,2 | 25 | 14 | 5 | 7 | 7,8 | 6,8 | 3 | 4 | 11,5 | 0,045 | 10 | 36027200 |
| 36056400 | 2,5:1 (16/40) | 1 | 16 | 18,6 | 16 | 13 | 7,4 | 13 | 14,4 | 8,5 | 6,5 | 5 | 28 | 0,09 | 13 | 36056500 |
| 36056500 | 2,5:1 (16/40) | 1 | 40 | 40,5 | 40 | 25 | 9 | 13 | 14,8 | 12,6 | 6,5 | 8 | 20 | 0,225 | 65 | 36056400 |
| 36076400 | 2,5:1 (16/40) | 1,5 | 16 | 27,9 | 24 | 18 | 8,8 | 18 | 19,5 | 10,8 | 9,7 | 8 | 40 | 0,32 | 36 | 36076500 |
| 36076500 | 2,5:1 (16/40) | 1,5 | 40 | 60,7 | 60 | 40 | 10 | 17 | 20,1 | 16,9 | 9,7 | 15 | 28 | 0,8 | 220 | 36076400 |
| 36076800 | 2,5:1 (18/45) | 1,5 | 18 | 30,9 | 27 | 20 | 10,8 | 21 | 22,9 | 13,0 | 10,9 | 8 | 46 | 0,47 | 54 | 36076900 |
| 36076900 | 2,5:1 (18/45) | 1,5 | 45 | 68,2 | 67,5 | 50 | 12 | 20 | 24,1 | 20,4 | 10,9 | 15 | 33 | 1,18 | 370 | 36076800 |
| 36106400 | 2,5:1 (16/40) | 2 | 16 | 35,8 | 32 | 20 | 9 | 25 | 26,4 | 12,7 | 15 | 10 | 52 | 0,84 | 76 | 36106500 |
| 36106500 | 2,5:1 (16/40) | 2 | 40 | 81,5 | 80 | 50 | 15 | 29 | 32,7 | 27,9 | 15 | 20 | 42 | 2,1 | 650 | 36106400 |
| 36106800 | 2,5:1 (18/45) | 2 | 18 | 39,8 | 36 | 30 | 11,8 | 26 | 27,4 | 13,8 | 15 | 10 | 58 | 1,18 | 133 | 36106900 |
| 36106900 | 2,5:1 (18/45) | 2 | 45 | 91,5 | 90 | 60 | 18 | 30 | 33,8 | 28,9 | 15 | 25 | 45 | 2,95 | 830 | 36106800 |
| 36116400 | 2,5:1 (16/40) | 2,5 | 16 | 44,8 | 40 | 30 | 13 | 32 | 34,1 | 15,9 | 20 | 10 | 65 | 5,0 | 180 | 36116500 |
| 36116500 | 2,5:1 (16/40) | 2,5 | 40 | 101,9 | 100 | 60 | 15 | 29 | 33,8 | 27,4 | 20 | 25 | 45 | 12,5 | 1000 | 36116400 |
| 36116800 | 2,5:1 (18/45) | 2,5 | 18 | 49,8 | 45 | 30 | 15,6 | 36 | 37,9 | 19,7 | 20 | 10 | 75 | 7,1 | 240 | 36116900 |
| 36116900 | 2,5:1 (18/45) | 2,5 | 45 | 114,4 | 112,5 | 70 | 15 | 28 | 33,4 | 26,9 | 20 | 25 | 47 | 17,8 | 1200 | 36116800 |
| 36146400 | 2,5:1 (16/40) | 3 | 16 | 53,8 | 48 | 40 | 13,6 | 37 | 38,8 | 16,1 | 25 | 15 | 75 | 9,0 | 310 | 36146500 |
| 36146500 | 2,5:1 (16/40) | 3 | 40 | 122,3 | 120 | 60 | 16 | 32 | 36,8 | 28,9 | 25 | 25 | 50 | 22,5 | 1400 | 36146400 |
| 36146800 | 2,5:1 (18/45) | 3 | 18 | 59,8 | 54 | 40 | 11,7 | 36 | 38,4 | 15,7 | 25 | 15 | 82 | 12,8 | 380 | 36146900 |
| 36146900 | 2,5:1 (18/45) | 3 | 45 | 137,7 | 135 | 70 | 18 | 34 | 39,0 | 30,9 | 25 | 30 | 55 | 32,0 | 1900 | 36146800 |
| 36186400 | 2,5:1 (16/40) | 4 | 16 | 71,8 | 64 | 50 | 12 | 41 | 43,8 | 16,5 | 30 | 20 | 95 | 20,9 | 600 | 36186500 |
| 36186500 | 2,5:1 (16/40) | 4 | 40 | 163,1 | 160 | 80 | 20 | 40 | 46,4 | 36,9 | 30 | 30 | 65 | 52,3 | 3400 | 36186400 |
| 36186800 | 2,5:1 (18/45) | 4 | 18 | 79,7 | 72 | 50 | 13,8 | 44 | 46,8 | 19,5 | 30 | 20 | 108 | 29,3 | 800 | 36186900 |
| 36186900 | 2,5:1 (18/45) | 4 | 45 | 183,0 | 180 | 90 | 20 | 43 | 49,6 | 39,9 | 30 | 30 | 72 | 73,3 | 4900 | 36186800 |
| 36216800 | 2,5:1 (18/45) | 5 | 18 | 99,6 | 90 | 60 | 16,5 | 57 | 60,8 | 24,4 | 40 | 25 | 135 | 61,0 | 1560 | 36216900 |
| 36216900 | 2,5:1 (18/45) | 5 | 45 | 228,8 | 225 | 100 | 20 | 50 | 57,8 | 44,8 | 40 | 40 | 85 | 152,5 | 9080 | 36216800 |