Skrutkované náboje pre kužeľové puzdrá
Material: Grey cast iron GG25. Product no. 14090147 from steel.
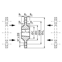
Hub for fixing a chain plate wheel or similar parts with a low priced taper bush onto a shaft. The wheel must get a center hole Ø D (recommended tolerance: H8) and bores for mounting bolts. It can be mounted on the right side or left side. The bolt length depends on the wheel width. Bolts and nuts are not included. The wheel and the taper bush have to be ordered separately.
In this youtube video we show the mounting and demounting of taper bushes: Video clip (3.5 Minutes)
| SKU | for Taper Bush size | Øda [mm] | L [mm] | ØD-0,05 [mm] | ØC [mm] | B1 [mm] | B2 [mm] | B3 [mm] | B4 [mm] | ØDB [mm] | N° [mm] | ØB [mm] | Pos. B [°] | Weight [kg] |
|---|---|---|---|---|---|---|---|---|---|---|---|---|---|---|
| 14090120 | 1210 | 120 | 25 | 80 | 70 | 9,0 | 7,5 | 2,5 | 8,5 | 100 | 6 | 7,5 | 60 | 0,90 |
| 14090121 | 1210 | 180 | 25 | 90 | 75 | 9,25 | 6,5 | 2,5 | 9,25 | 135 | 6 | 7,5 | 60 | 1,55 |
| 14090125 | 1610 | 130 | 25 | 90 | 80 | 9,0 | 7,5 | 2,5 | 8,5 | 110 | 6 | 7,5 | 60 | 1,00 |
| 14090130 | 1615 | 200 | 38 | 110 | 85 | 15,3 | 7,5 | 2,5 | 15,2 | 150 | 6 | 7,5 | 60 | 2,45 |
| 14090135 | 2012 | 145 | 32 | 115 | 95 | 12,0 | 9,5 | 2,5 | 10,5 | 125 | 6 | 9,5 | 60 | 1,50 |
| 14090136 | 2012 | 270 | 32 | 140 | 110 | 11,8 | 8,5 | 2,5 | 11,7 | 190 | 6 | 9,5 | 60 | 4,4 |
| 14090140 | 2517 | 185 | 45 | 130 | 115 | 19,0 | 12,5 | 2,5 | 13,5 | 155 | 6 | 11,5 | 60 | 3,1 |
| 14090141 | 2517 | 340 | 45 | 170 | 125 | 17,8 | 9,5 | 2,5 | 17,7 | 240 | 8 | 11,5 | 45 | 7,9 |
| 14090145 | 3020 | 220 | 51 | 165 | 145 | 19,0 | 12,5 | 2,5 | 19,5 | 190 | 6 | 13,5 | 60 | 5,0 |
| 14090146 | 3020 | 430 | 51 | 220 | 160 | 18,8 | 13,5 | 2,5 | 18,7 | 300 | 8 | 13,5 | 45 | 16,5 |
| 14090147 | 3020 | 485 | 51 | 250 | 160 | 18,8 | 13,5 | 2,5 | 18,7 | 340 | 8 | 13,5 | 45 | 19,3 |