Obchodné podmienky
Na stiahnutie
mario.babinec@blackholecrew.com
+421 907 702 581
Domov
Produkty
O nás
Kontakt
Prihlásenie
/ Registrácia
Pántové upevnenia s kolíkom
Produkty
Pneumatické prvky
Valce a príslušenstvo
Kruhové valce a príslušenstvo
Pántové upevnenia s kolíkom
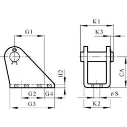
Materials:
Mounting: Steel, zinc-plated. Bolts: Stainless Steel. Mating bracket for rear end mounting.
SKU
Cylinder-Ø [mm]
Bolt Ø [mm]
CA [mm]
G1 [mm]
G2 [mm]
G3 [mm]
G4 [mm]
H2 [mm]
K1 [mm]
K2 [mm]
K3 [mm]
Ø S [mm]
Weight [g]
81002210
10
4
12
6,5
-
15
6
1
13,5
10,5
2
4,8
5
81002212
12/16
6
20
18,5
15
30
8
1,5
20
15
3
5,5
20
81002220
20/25
8
25
20
15
35
10
2
25
20,5
3
6,6
40