Kardánový adaptér KARA pre prírubové matice
Material: Steel, black oxide finish. Strength min. 350 N/mm2.
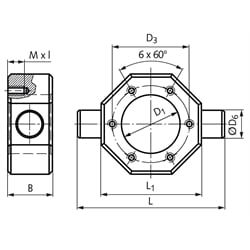
Cardan adapter for cardanical mounting of trapezoidal threaded flange nuts. The flange nut has to be screwed to the adapter. For MÄDLER® flange nuts, you can find the fitting adapter by comparing the diameter D1. For flange nuts from other manufacturers, please match the dimensions D1 and D3 to select the correct adapter.
* With 2 different drilling patterns on front and back side.
** With 2 different drilling patterns on front and back side. D3=65mm with M8 x 12.
*** With 2 different drilling patterns on front and back side. D3=140mm with M16 x 20.
The drill pattern on the backside is 30° displaced to the frontside.
| SKU | Typ | D1 G7 [mm] | D3 +/-0,1 [mm] | D6 f8 [mm] | L [mm] | L1 [mm] | B [mm] | M x l [mm] | Gewicht [kg] |
|---|---|---|---|---|---|---|---|---|---|
| 64470125 | KARA-25 | 25 | 35 | 12 | 70 | 50 | 20 | M5 x 10 | 0,26 |
| 64470126 | KARA-26 | 26 | 38 | 12 | 70 | 50 | 20 | M5 x 10 | 0,25 |
| 64470128 | KARA-28 | 28 | 38 | 12 | 70 | 50 | 20 | M5 x 10 | 0,24 |
| 64470130 | KARA-30 | 30 | 45 | 16 | 87 | 60 | 25 | M6 x 12 | 0,48 |
| 64470132 | KARA-32 | 32 | 45 | 16 | 85 | 58 | 25 | M6 x 12 | 0,42 |
| 64470138 | KARA-38 | 38 | 50 | 18 | 95 | 65 | 25 | M6 x 12 | 0,51 |
| 64470140 | KARA-40 | 40 | 58 | 18 | 105 | 75 | 25 | M6 x 12 | 0,72 |
| 64470145 | KARA-45* | 45 | 58 / 65 | 20 | 115 | 80 | 30 | M6 x 12 | 0,94 |
| 64470150 | KARA-50** | 50 | 68 / 65 | 25 | 125 | 85 | 30 | M6/M8 x 12 | 1,07 |
| 64470155 | KARA-55 | 55 | 85 | 25 | 165 | 115 | 30 | M6 x 12 | 2,21 |
| 64470160 | KARA-60 | 60 | 95 | 30 | 175 | 135 | 40 | M8 x 15 | 4,06 |
| 64470163 | KARA-63 | 63 | 78 | 30 | 140 | 100 | 40 | M8 x 15 | 1,83 |
| 64470172 | KARA-72 | 72 | 90 | 40 | 165 | 115 | 50 | M10 x 16 | 3,17 |
| 64470180 | KARA-80 | 80 | 120 | 40 | 215 | 165 | 50 | M10 x 16 | 7,36 |
| 64470185 | KARA-85 | 85 | 105 | 40 | 180 | 130 | 50 | M10 x 16 | 3,74 |
| 64470195 | KARA-95*** | 95 | 130 /140 | 45 | 245 | 185 | 50 | M12/M16 x 20 | 8,89 |