Narezané zverné krúžky pre drážkované hriadele - DIN ISO 14, oceľ
Material: Steel C45, screw strength 12.9, zinc-plated.
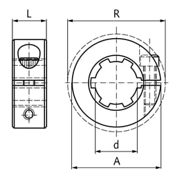
Single-split clamp collars, as end-stops on spline shafts.
These rings don´t damage the shaft. The clamping force is much stronger than with set collars. They are easy to readjust.
Version 1: The thread of the screw DIN 912 is covered with a layer of nylon.
Version 2: with additional nut, for adjusting the inner diameter and as lock nut.
Tolerance b: +0.08mm / -0.25mm . Temperature range: -40°C to +175°C.
| SKU | Profil [mm] | Ausführung | A [mm] | d [mm] | L [mm] | Rmax. [mm] | Schraube [DIN 912] | Mutter sw [mm] | Gewicht [g] |
|---|---|---|---|---|---|---|---|---|---|
| 64867200 | KN 11 x 14 | 1 | 30 | 11 | 11 | 34,7 | M4 x 12 | - | 46 |
| 64867400 | KN 13 x 16 | 1 | 34 | 13 | 13 | 39,9 | M5 x 14 | - | 70 |
| 64867500 | KN 16 x 20 | 1 | 40 | 16 | 15 | 47,6 | M6 x 16 | - | 110 |
| 64867100 | KN 18 x 22 | 1 | 42 | 18 | 15 | 49,3 | M6 x 16 | - | 118 |
| 64867600 | KN 21 x 25 | 1 | 45 | 21 | 15 | 51,8 | M6 x 16 | - | 124 |
| 64867300 | KN 23 x 28 | 1 | 48 | 23 | 15 | 54,4 | M6 x 18 | - | 144 |
| 64867700 | KN 26 x 32 | 2 | 54 | 26 | 15 | 59,7 | M6 x 18 | 10 | 180 |
| 64867900 | KN 28 x 34 | 2 | 57 | 28 | 15 | 62,3 | M6 x 18 | 10 | 196 |
| 64867800 | KN 32 x 38 | 2 | 60 | 32 | 15 | 66,0 | M6 x 18 | 10 | 204 |
| 64868200 | KN 36 x 42 | 2 | 73 | 36 | 19 | 80,4 | M8 x 25 | 13 | 416 |
| 64868000 | KN 42 x 48 | 2 | 78 | 42 | 19 | 85,7 | M8 x 25 | 13 | 450 |