Clamping Bushes MSD, boreholes 15 - 100mm
The MSD clamping bush consists of a double-walled, hardened steel sleeve filled with a special pressure medium, a seal, a piston, a compression flange and fastening screws. When tightening the screws, the sleeves expand evenly against shaft and hub, creating a rigid connection. When the screws are loosened, the bush returns to its initial position and can be easily demounted.
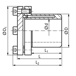
Concentricity: ≈ 0.03 - 0.06 mm.
Tolerance: Shaft h8 - k6 (for Prod. No. 615 215 00 only h7), Hub H7.
Temperature range: -30 °C to 85 °C.
T = transmittable torque at axial force of 0, if the screws are fastened with TA.
Fax = transmittable axial force at torque of 0, if the screws are fastened with TA.
Fr = maximum transmittable radial force.
TA = required fastening torque for the screws.
The dimensions refer to bushes before assembly.
| SKU | d [mm] | D [mm] | D1 [mm] | L [mm] | L1 [mm] | L2 [mm] | Transmissible Torque T [Nm] | Transmissible Axial Force Fax [k N] | Transferable Radialkraft Fr [k N] | PW [N/mm²] | PN [N/mm²] | Bolts DIN 912 No. of [pcs] | Size | M No. [Nm] | Weight [kg] |
|---|---|---|---|---|---|---|---|---|---|---|---|---|---|---|---|
| 61521500 | 15 | 23 | 38 | 30 | 17 | 35 | 55 | 7,3 | 2,5 | 90 | 70 | 3 | M5 | 6 | 0,10 |
| 61521900 | 19 | 28 | 45 | 37 | 21 | 42 | 100 | 10,6 | 5,8 | 90 | 70 | 3 | M5 | 8 | 0,17 |
| 61522000 | 20 | 28 | 45 | 37 | 22 | 42 | 125 | 12,5 | 6,6 | 90 | 70 | 3 | M5 | 8 | 0,16 |
| 61522200 | 22 | 32 | 49 | 37 | 22 | 42 | 135 | 12,3 | 8,2 | 90 | 70 | 4 | M5 | 8 | 0,20 |
| 61522400 | 24 | 34 | 49 | 40 | 25 | 45 | 200 | 16,7 | 9,8 | 90 | 70 | 4 | M5 | 8 | 0,20 |
| 61522500 | 25 | 34 | 49 | 43 | 27 | 48 | 250 | 20,0 | 10,6 | 90 | 70 | 4 | M5 | 8 | 0,20 |
| 61522800 | 28 | 39 | 55 | 45 | 29 | 50 | 300 | 21,4 | 13,1 | 90 | 70 | 4 | M5 | 8 | 0,27 |
| 61523000 | 30 | 41 | 57 | 47 | 32 | 52 | 420 | 28,0 | 14,7 | 90 | 70 | 4 | M5 | 8 | 0,30 |
| 61523200 | 32 | 43 | 60 | 52 | 34 | 57 | 420 | 26,3 | 16,3 | 90 | 70 | 4 | M5 | 8 | 0,35 |
| 61523500 | 35 | 47 | 63 | 55 | 37 | 60 | 650 | 37,1 | 18,8 | 90 | 70 | 6 | M5 | 8 | 0,41 |
| 61523800 | 38 | 50 | 65 | 59 | 41 | 64 | 750 | 39,5 | 21,2 | 90 | 70 | 6 | M5 | 8 | 0,44 |
| 61524000 | 40 | 53 | 70 | 63 | 43 | 68 | 940 | 47,0 | 22,8 | 90 | 70 | 6 | M5 | 8 | 0,57 |
| 61524200 | 42 | 55 | 70 | 65 | 45 | 70 | 940 | 44,8 | 24,4 | 90 | 70 | 6 | M5 | 8 | 0,56 |
| 61524500 | 45 | 59 | 77 | 69 | 49 | 75 | 1290 | 57,3 | 26,9 | 90 | 70 | 6 | M6 | 13 | 0,73 |
| 61524800 | 48 | 62 | 80 | 73 | 52 | 79 | 1570 | 65,4 | 29,3 | 90 | 70 | 6 | M6 | 13 | 0,80 |
| 61525000 | 50 | 65 | 83 | 76 | 53 | 82 | 1900 | 76,0 | 30,9 | 90 | 70 | 6 | M6 | 13 | 0,91 |
| 61525500 | 55 | 71 | 88 | 82 | 58 | 88 | 2500 | 90,9 | 35,0 | 90 | 70 | 8 | M6 | 13 | 1,09 |
| 61526000 | 60 | 77 | 95 | 90 | 64 | 96 | 3400 | 113 | 39,1 | 90 | 70 | 8 | M6 | 13 | 1,40 |
| 61526500 | 65 | 84 | 102 | 96 | 68 | 102 | 3500 | 108 | 43,1 | 90 | 70 | 8 | M6 | 13 | 1,72 |
| 61527000 | 70 | 90 | 113 | 99 | 72 | 107 | 5200 | 149 | 47,2 | 90 | 70 | 6 | M8 | 32 | 2,09 |
| 61527500 | 75 | 95 | 118 | 114 | 85 | 122 | 6300 | 168 | 51,3 | 90 | 70 | 6 | M8 | 32 | 2,51 |
| 61528000 | 80 | 100 | 123 | 120 | 90 | 128 | 8800 | 220 | 55,0 | 90 | 70 | 6 | M8 | 32 | 2,68 |
| 61528500 | 85 | 106 | 129 | 125 | 95 | 133 | 8800 | 207 | 58,0 | 90 | 70 | 6 | M8 | 32 | 3,09 |
| 61529000 | 90 | 112 | 135 | 133 | 100 | 141 | 11000 | 244 | 60,0 | 90 | 70 | 8 | M8 | 32 | 3,52 |
| 61529500 | 95 | 120 | 143 | 139 | 105 | 147 | 12800 | 269 | 61,5 | 90 | 70 | 8 | M8 | 32 | 4,46 |
| 61529900 | 100 | 125 | 148 | 145 | 110 | 153 | 15500 | 310 | 62,0 | 90 | 70 | 8 | M8 | 32 | 4,87 |