Product image
Product image

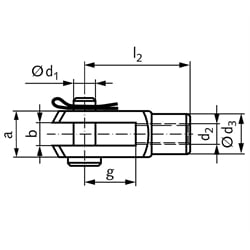
Material: Clevis and bolt aluminium, anodized black.

With SL-Retainer from steel, bright zinc plated. Thread: Gewindeausführung rechts = thread right-handed.

SKU Thread Type Size [mm] a [mm] b [mm] d1 [mm] d2 [mm] Thread Slope[mm] d3 [mm] g [mm] l2 [mm] Fadmiss. [N]
63766401 rechts 4x8 8 4 4 M4 0,7 8 8 16 2,2
63766402 rechts 4x16 8 4 4 M4 0,7 8 16 24 2,9
63766403 rechts 5x10 10 5 5 M5 0,8 9 10 20 4,2
63766405 rechts 6x12 12 6 6 M6 1,0 10 12 24 7,2
63766407 rechts 8x16 16 8 8 M8 1,25 14 16 32 16,8
63766409 rechts 10x20 20 10 10 M10 1,5 18 20 40 33,3
63766411 rechts 12x24 24 12 12 M12 1,75 20 24 48 54,4
63766413 rechts 14x28 27 14 14 M14 2,0 24 28 56 78,1
63766415 rechts 16x32 32 16 16 M16 2,0 26 32 64 121,2