Spojovacie články M2, jednoradové, nerezové
Material: Stainless steel 1.4301 (AISI 304).
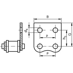
With spring clip. For stainless simplex roller chains. With good chemical resistance.
Main dimensions according to DIN ISO 606 (ex DIN 8187).
| SKU | Type | DIN ISO | p [mm] | h5 [mm] | G [mm] | d4 [mm] | B [mm] | s [mm] | b3 min. [mm] | Weight [g] |
|---|---|---|---|---|---|---|---|---|---|---|
| 10199351 | einseitig | 06 B-1 | 9,525 | 9,5 | 13,5 | 3,5 | 17,7 | 1,2 | 8,66 | 5,6 |
| 10599351 | einseitig | 08 B-1 | 12,7 | 13,0 | 17,9 | 4,3 | 23,2 | 1,6 | 11,43 | 11 |
| 10699351 | einseitig | 10 B-1 | 15,875 | 16,5 | 21,9 | 5,5 | 29,5 | 1,7 | 13,41 | 21 |
| 10799351 | einseitig | 12 B-1 | 19,05 | 21,0 | 26,6 | 6,6 | 33,8 | 1,8 | 15,75 | 30 |
| 10899351 | einseitig | 16 B-1 | 25,4 | 23,0 | 31,8 | 6,6 | 46,2 | 2,8 | 25,58 | 89 |