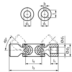
Dvojité presné univerzálne kĺby WDR podobné DIN 808, nehrdzavejúca oceľ
Material: Stainless steel 1.4301 (AISI 304).
Max. Operating Angle 90°. These single and double universal joints feature a simple design with very small tolerances and high precision and performance. These universal joints can be used at speeds up to max. 800 rpm. The torques only amount to 90% of the single precision universal joints, stainless. At an operating angle of 45° only manual operation is possible.
Optionally without or with keyway DIN 6885-1, on both sides.
| SKU | d1H7 [mm] | d2 [mm] | l1 [mm] | l3 [mm] | l4 [mm] | b JS9 [mm] | t [mm] | admiss.max.Torque at 100 rpm-1 [Nm] | at 200 rpm-1 [Nm] | at 300 rpm-1 [Nm] | at 400 rpm-1 [Nm] | at 500 rpm-1 [Nm] | at 700 rpm-1 [Nm] | at 800 rpm-1 [Nm] | Weight [kg] |
|---|---|---|---|---|---|---|---|---|---|---|---|---|---|---|---|
| 63199726 | 12 | 22 | 25 | 105 | 29 | - | - | 18,4 | 12,4 | 10,5 | 9,6 | 8,7 | 7,8 | 5,2 | 0,20 |
| 63199726N | 12 | 22 | 25 | 105 | 29 | 4 | 13,8 | 18,4 | 12,4 | 10,5 | 9,6 | 8,7 | 7,8 | 5,2 | 0,20 |
| 63199729 | 14 | 25 | 29 | 119 | 33 | - | - | 31,5 | 18,9 | 15 | 12 | 10,9 | 9,4 | 8,7 | 0,30 |
| 63199729N | 14 | 25 | 29 | 119 | 33 | 5 | 16,3 | 31,5 | 18,9 | 15 | 12 | 10,9 | 9,4 | 8,7 | 0,30 |
| 63199732 | 16 | 29 | 30 | 125 | 35 | - | - | 49,5 | 31,9 | 28,9 | 26,4 | 24,4 | 19,9 | 18,9 | 0,43 |
| 63199732N | 16 | 29 | 30 | 125 | 35 | 5 | 18,3 | 49,5 | 31,9 | 28,9 | 26,4 | 24,4 | 19,9 | 18,9 | 0,43 |
| 63199737 | 18 | 32 | 30 | 134 | 39 | - | - | 67,5 | 63 | 52,9 | 42 | 37,9 | 30 | 25,9 | 0,56 |
| 63199737N | 18 | 32 | 30 | 134 | 39 | 6 | 20,8 | 67,5 | 63 | 52,9 | 42 | 37,9 | 30 | 25,9 | 0,56 |
| 63199740 | 20 | 40 | 32 | 154 | 46 | - | - | 175,5 | 126 | 87,9 | 69,9 | 61,9 | 43,9 | - | 1,06 |
| 63199740N | 20 | 40 | 32 | 154 | 46 | 6 | 22,8 | 175,5 | 126 | 87,9 | 69,9 | 61,9 | 43,9 | - | 1,06 |
| 63199747 | 22 | 40 | 38 | 173 | 46 | - | - | 175,5 | 126 | 87,9 | 69,9 | 61,9 | 43,9 | - | 1,16 |
| 63199747N | 22 | 40 | 38 | 173 | 46 | 6 | 24,8 | 175,5 | 126 | 87,9 | 69,9 | 61,9 | 43,9 | - | 1,16 |
| 63199750 | 25 | 50 | 44 | 199 | 59 | - | - | 288 | 180 | 126 | 108 | 90 | 72 | - | 2,16 |
| 63199750N | 25 | 50 | 44 | 199 | 59 | 8 | 28,3 | 288 | 180 | 126 | 108 | 90 | 72 | - | 2,16 |
| 63199757 | 30 | 58 | 58 | 244 | 66 | - | - | 324 | 198 | 144 | 117 | 99 | - | - | 3,48 |
| 63199757N | 30 | 58 | 58 | 244 | 66 | 8 | 33,3 | 324 | 198 | 144 | 117 | 99 | - | - | 3,48 |