Dvojité ozubené kolesá ZRENG s nábojom pre dve jednoradové valčekové reťaze 12 B-1
Material: Steel C45. Teeth induction hardened (approx. HRC 50). Teeth milled, bores pre-bored.
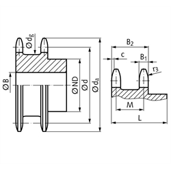
Double-Sprockets with hub for transmitting the power from a driving chain to a parallel running driven chain, e.g. at roller conveyors.
General dimensions: B1 = max. 11,1 mm, B2 = 38 mm, c = 2 mm, r3 = 19 mm. Other dimensions: See the table.
| SKU | No. of Teeth | da [mm] | d [mm] | B [mm] | dg [mm] | ND [mm] | L [mm] | M [mm] | Gewicht [kg] |
|---|---|---|---|---|---|---|---|---|---|
| 12788512 | 12 | 81,5 | 73,61 | 20 | 51 | 53 | 60 | 26,9 | 1,16 |
| 12788513 | 13 | 87,5 | 79,59 | 20 | 57 | 59 | 60 | 26,9 | 1,43 |
| 12788514 | 14 | 93,6 | 85,61 | 20 | 64 | 65 | 60 | 26,9 | 1,71 |
| 12788515 | 15 | 99,8 | 91,63 | 20 | 70 | 71 | 60 | 26,9 | 2,03 |
| 12788516 | 16 | 105,5 | 97,65 | 20 | 75 | 77 | 60 | 26,9 | 2,40 |
| 12788517 | 17 | 111,5 | 103,67 | 20 | 81 | 83 | 60 | 26,9 | 2,77 |
| 12788518 | 18 | 118,0 | 109,71 | 20 | 88 | 89 | 60 | 26,9 | 3,17 |
| 12788519 | 19 | 124,2 | 115,75 | 20 | 94 | 95 | 60 | 26,9 | 3,61 |
| 12788520 | 20 | 129,7 | 121,78 | 20 | 100 | 100 | 60 | 26,9 | 4,04 |
| 12788521 | 21 | 136,0 | 127,82 | 25 | 106 | 100 | 60 | 26,9 | 4,30 |
| 12788523 | 23 | 149,0 | 139,86 | 25 | 119 | 110 | 60 | 26,9 | 5,27 |
| 12788525 | 25 | 160,0 | 152,00 | 25 | 130 | 120 | 60 | 26,9 | 6,34 |