Dual USB 2.0 socket, Socket A / Plug A (60 cm)
RRJ_2USB - Dual USB 2.0 Socket A / Plug A (60 cm)
Technical Specifications
The RRJ_2USB is a dual USB 2.0 socket with a plug A and a cable length of 60 cm.
It enables straightforward and efficient data transfer. This component is robust and suitable for use in various environments.
Technical Specifications
Series : RONTRON-R-JUWEL
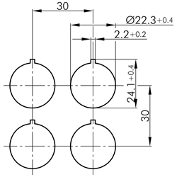
Category : Built-in Socket
Shape : Round
Illumination : No
Installation opening : Ø 22.3 mm
Front frame color : Silver
| SKU | Bauform | Einbau-Ø [mm] | Anschlussart | Kabellänge [m] | Beleuchtbar | Gewicht [kg] |
|---|---|---|---|---|---|---|
| 901185-RRJ_2USB | rund | 22,3 | Doppel USB2.0-Buchse A / Stecker A | 0,6 | nein | 0,07 |