Elastické spojky MAEPEX® 3-dielna verzia
Material: Coupling hubs: Grey Cast Iron GG25 (GJL-250). Elastomeres: NBR, hardness 80ºA Shore, black.
Torsionally flexible cam coupling, fail-safe, with damping effect. With bolt-on jaw ring.
The removable jaw ring allows to replace the elastomers without moving the hubs on the shafts.
In this YouTube video, we show you how to fit the 3-part MAEPEX coupling, how to replace the elastomers and how to determine the torsional backlash: Film (2,3 Minuten)
The MÄDLER® version is improved: Machined claws result in longer lifetime.
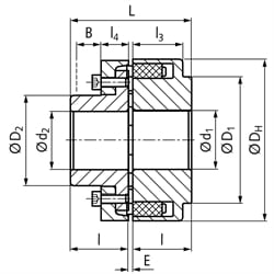
Couplings are non-bored or pre-bored, depending on the size. * The sizes 250 and 280 have different pilot bores on each side.
Customized bores and feather-key grooves available at extra charge.
Temperature range: -30ºC to +80ºC.
| SKU | Baugröße | Drehmoment Nenn [Nm] | Drehmomentmax. [Nm] | B [mm] | Bohrungenvorgeb. [mm] | Bohrungend1 max. [mm] | Bohrungend2 max. [mm] | DH [mm] | D1 [mm] | D2 [mm] | E [mm] | L [mm] | l [mm] | l3 [mm] | l4 [mm] | Smax. [mm] | Drehzahlmax. [min-1] | Gewicht [kg] |
|---|---|---|---|---|---|---|---|---|---|---|---|---|---|---|---|---|---|---|
| 60560305 | 110 | 160 | 480 | 33 | - | 48 | 38 | 110 | 86 | 62 | 2 - 4 | 82 | 40 | 34 | 20 | 7,0 | 5000 | 3,88 |
| 60560306 | 125 | 240 | 720 | 38 | - | 55 | 45 | 125 | 100 | 75 | 2 - 4 | 102 | 50 | 36 | 23,5 | 8,0 | 5000 | 6,12 |
| 60560307 | 140 | 360 | 1080 | 43 | - | 60 | 50 | 140 | 100 | 82 | 2 - 4 | 112 | 55 | 34 | 28 | 8,0 | 4900 | 8,13 |
| 60560308 | 160 | 560 | 1680 | 47 | - | 65 | 58 | 160 | 108 | 95 | 2 - 6 | 122 | 60 | 40 | 28 | 8,0 | 4250 | 11,19 |
| 60560309 | 180 | 880 | 2640 | 50 | - | 75 | 65 | 180 | 125 | 108 | 2 - 6 | 142 | 70 | 42 | 30 | 8,0 | 3800 | 16,46 |
| 60560310 | 200 | 1340 | 4020 | 53 | - | 85 | 75 | 200 | 140 | 122 | 2 - 6 | 162 | 80 | 47 | 32,5 | 8,5 | 3400 | 23,30 |
| 60560311 | 225 | 2000 | 6000 | 61 | - | 90 | 85 | 225 | 150 | 136 | 2 - 6 | 182 | 90 | 52 | 38 | 9,0 | 3000 | 32,54 |
| 60560312 | 250 | 2800 | 8400 | 69 | 30 / 44* | 100 | 95 | 250 | 165 | 155 | 3 - 8 | 203 | 100 | 60 | 42 | 10,0 | 2750 | 43,60 |
| 60560313 | 280 | 3900 | 10000 | 73 | 52 / 47* | 110 | 105 | 280 | 180 | 172 | 3 - 8 | 223 | 110 | 65 | 42 | 11,5 | 2450 | 56,63 |