Elastické spojky RNG, liatina
Material: Coupling hubs: Grey Cast Iron GG25 (GJL-250). Spider (insert): Polyurethane, Shore hardness 92ºA (yellow).
Spare part spiders available in 92°A (yellow), 98°A (red) or 64°D (green).
Couplings are pre-bored ex stock. Customized bores and feather-key grooves available at extra charge. Temperature range: -40ºC to +90ºC.
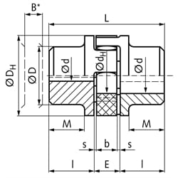
| SKU | Baugröße | Torque Nominal [Nm] | Torque max. [Nm] | d Pilot Bore [mm] | d max. [mm] | Max. Speed at 30 m/s [rpm] | Angular Compensation at max. Nm [°] | B* [mm] | l [mm] | E [mm] | s [mm] | b [mm] | L [mm] | M [mm] | DH [mm] | D [mm] | d H [mm] | Weight [g] | Spare Part Toothed Ring | For Art.-No. |
|---|---|---|---|---|---|---|---|---|---|---|---|---|---|---|---|---|---|---|---|---|
| 60530000 | 19 | 10 | 20 | 5 | 19 | 14000 | 5 | 13 | 25 | 16 | 2 | 12 | 66 | 20 | 40 | 32 | 18 | 410 | 60509219 | 60509819 |
| 60530100 | 24 | 35 | 70 | 7 | 24 | 10600 | 5 | 15 | 30 | 18 | 2 | 14 | 78 | 24 | 55 | 40 | 27 | 730 | 60509224 | 60509824 |
| 60530200 | 28 | 95 | 190 | 9 | 28 | 8500 | 5 | 16 | 35 | 20 | 2,5 | 15 | 90 | 28 | 65 | 48 | 30 | 1240 | 60509228 | 60509828 |
| 60530300 | 38 | 190 | 380 | 13 | 38 | 7100 | 5 | 19 | 45 | 24 | 3 | 18 | 114 | 37 | 80 | 66 | 38 | 2100 | 60509238 | 60509838 |
| 60530400 | 42 | 265 | 530 | 13 | 42 | 6000 | 5 | 21 | 50 | 26 | 3 | 20 | 126 | 40 | 95 | 75 | 46 | 3200 | 60509242 | 60509842 |
| 60530500 | 48 | 310 | 620 | 16 | 48 | 5600 | 5 | 22 | 56 | 28 | 3,5 | 21 | 140 | 45 | 105 | 85 | 51 | 4400 | 60509248 | 60509848 |
| 60530700 | 55 | 410 | 820 | 16 | 55 | 4750 | 5 | 23 | 65 | 30 | 4 | 22 | 160 | 52 | 120 | 98 | 60 | 6600 | 60509255 | 60509855 |
| 60530800 | 65 | 625 | 1250 | 18 | 70 | 4250 | 5 | 27 | 75 | 35 | 4,5 | 26 | 185 | 61 | 135 | 115 | 68 | 10100 | 60509265 | 60509865 |
| 60530900 | 75 | 1280 | 2560 | 25 | 80 | 3550 | 5 | 32 | 85 | 40 | 5 | 30 | 210 | 69 | 160 | 135 | 80 | 16000 | 60509275 | 60509875 |
| 60531000 | 90 | 2400 | 4800 | 29 | 97 | 2800 | 5 | 36 | 100 | 45 | 5,5 | 34 | 245 | 81 | 200 | 160 | 100 | 27500 | 60509290 | 60509890 |
| 60531100 | 100 | 3300 | 6600 | 29 | 115 | 2500 | 5 | 40 | 110 | 50 | 6 | 38 | 270 | 89 | 225 | 180 | 113 | 34500 | 60509295 | 60509895 |