Prírubové puzdrá, drážkované, samomazacie
Plain bearing flange bush from steel sheet with multi-porous bronze layer and sliding surface from PTFE-lead-compound. Specially suited for lubrication-free running, for high loads, extrem temperatures.
Main characteristics Self lubricating and maintenance free, ready to install. Perfectly suited for lower sliding speeds. Low wear, low friction coefficient, no 'stick slip'. Perfectly suited for circular, swivelling and partly for axial movement. Can be used at extremely high bearing loads. No moisture absorption. High corrosion
Construction Tin-plated steel back (incl. edges). Multi-porous bronze layer, sliding surface PTFE-lead-compound.
Technical data Stat. surface pressure: max. 250 N/mm² Dyn. bearing load: max. 56 N/mm² Friction coefficient: 0.03 - 0.20 Sliding speed: max. 2 m/s Temperature range: -195°C to 280°C Therm. conductivity: 40 W/K*m
Recommended mounting tolerances Housing bore H7, shaft tolerance up to 55 Ø f7 above 55 Ø h8 Paired contact surface Recommended: hardened contact surfaces with a surface roughness of Rz3 and finer.
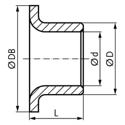
| SKU | d [mm] | D [mm] | DB [mm] | L [mm] | Weight [g] |
|---|---|---|---|---|---|
| 62410304 | 3 | 4,5 | 7 | 5 | 0,3 |
| 62410404 | 4 | 5,5 | 9 | 5,6 | 0,5 |
| 62410505 | 5 | 7 | 10 | 6 | 0,9 |
| 62410606 | 6 | 8 | 12 | 7 | 1,4 |
| 62410806 | 8 | 10 | 15 | 5,5 | 1,9 |
| 62410808 | 8 | 10 | 15 | 9,5 | 2,3 |
| 62411008 | 10 | 12 | 18 | 9 | 2,9 |
| 62411012 | 10 | 12 | 18 | 12 | 4 |
| 62411215 | 12 | 14 | 20 | 17 | 5,6 |
| 62411415 | 14 | 16 | 22 | 17 | 6,2 |
| 62411512 | 15 | 17 | 23 | 12 | 5 |
| 62411520 | 15 | 17 | 23 | 17 | 8,5 |
| 62411620 | 16 | 18 | 24 | 17 | 9,1 |
| 62411812 | 18 | 20 | 26 | 12 | 6,6 |
| 62412012 | 20 | 23 | 30 | 11,5 | 13,7 |
| 62412220 | 22 | 25 | 32 | 21,5 | 21 |
| 62412525 | 25 | 28 | 35 | 26,5 | 27,3 |
| 62413030 | 30 | 34 | 42 | 30 | 53,3 |
| 62413520 | 35 | 39 | 47 | 26 | 46 |
| 62413540 | 35 | 39 | 47 | 40 | 81,4 |
| 62414040 | 40 | 44 | 53 | 26 | 92 |
| 62415040 | 50 | 55 | 60 | 22 | 145,8 |