Prírubové klzné ložiská, termoplast EP22™, do 170 °C
Material: Thermoplast polybutylenterephthalat, modified (PBT + PTFE), white.
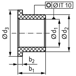
Plain bearing flange bush made from thermoplastic with high dimension accuracy.
Low friction. Specially suited for dry-running and for use at very low up to middle high temperatures.
Operating Conditions:
dry : very good.
oiled: good.
water: very good.
field of aplication:Domestic appliances, chemical equipment, office equipment,
sports equipment, automotive (pedals, steering, axes) and many more.
Plain bearing flange bush made from thermoplastic with high dimension accuracy.
Low friction. Specially suited for dry-running and for use at very low up to middle high temperatures.
- Good price/perfomance ratio with high dimension accuracy.
- Low friction, suitable also for lubrication-free running.
- Temperature range -50ºC bis + 170ºC.
Operating Conditions:
dry : very good.
oiled: good.
water: very good.
field of aplication:Domestic appliances, chemical equipment, office equipment,
sports equipment, automotive (pedals, steering, axes) and many more.
| SKU | d1 [mm] | d2 [mm] | d3 [mm] | b1 [mm] | b2 [mm] | r [mm] | Minus Allowance d1 [mm] | Plus Allowance d1 [mm] | Weight [g] |
|---|---|---|---|---|---|---|---|---|---|
| 62730805 | 8 | 10 | 15 | 5,5 | 1,0 | 0,3 | +0,025 | +0,083 | 0,4 |
| 62730807 | 8 | 10 | 15 | 7,5 | 1,0 | 0,3 | +0,025 | +0,083 | 0,5 |
| 62730810 | 8 | 10 | 15 | 10 | 1,0 | 0,3 | +0,025 | +0,083 | 0,5 |
| 62731007 | 10 | 12 | 18 | 7 | 1,0 | 0,3 | +0,025 | +0,083 | 0,6 |
| 62731009 | 10 | 12 | 18 | 9 | 1,0 | 0,3 | +0,025 | +0,083 | 0,7 |
| 62731012 | 10 | 12 | 18 | 12 | 1,0 | 0,3 | +0,025 | +0,083 | 0,8 |
| 62731015 | 10 | 12 | 18 | 15 | 1,0 | 0,3 | +0,025 | +0,083 | 1,0 |
| 62731017 | 10 | 12 | 18 | 17 | 1,0 | 0,3 | +0,025 | +0,083 | 1,1 |
| 62731207 | 12 | 14 | 20 | 7 | 1,0 | 0,3 | +0,032 | +0,102 | 0,6 |
| 62731209 | 12 | 14 | 20 | 9 | 1,0 | 0,3 | +0,032 | +0,102 | 0,8 |
| 62731212 | 12 | 14 | 20 | 12 | 1,0 | 0,3 | +0,032 | +0,102 | 1,2 |
| 62731215 | 12 | 14 | 20 | 15 | 1,0 | 0,3 | +0,032 | +0,102 | 1,3 |
| 62731217 | 12 | 14 | 20 | 17 | 1,0 | 0,3 | +0,032 | +0,102 | 1,4 |
| 62731220 | 12 | 14 | 20 | 20 | 1,0 | 0,3 | +0,032 | +0,102 | 1,5 |
| 62731412 | 14 | 16 | 22 | 12 | 1,0 | 0,3 | +0,032 | +0,102 | 0,9 |
| 62731417 | 14 | 16 | 22 | 17 | 1,0 | 0,3 | +0,032 | +0,102 | 1,5 |
| 62731509 | 15 | 17 | 23 | 9 | 1,0 | 0,3 | +0,032 | +0,102 | 1,0 |
| 62731512 | 15 | 17 | 23 | 12 | 1,0 | 0,3 | +0,032 | +0,102 | 1,2 |
| 62731517 | 15 | 17 | 23 | 17 | 1,0 | 0,3 | +0,032 | +0,102 | 1,5 |
| 62731520 | 15 | 17 | 23 | 20 | 1,0 | 0,3 | +0,032 | +0,102 | 1,8 |
| 62731612 | 16 | 18 | 24 | 12 | 1,0 | 0,5 | +0,032 | +0,102 | 1,3 |
| 62731617 | 16 | 18 | 24 | 17 | 1,0 | 0,3 | +0,032 | +0,102 | 1,7 |
| 62731812 | 18 | 20 | 26 | 12 | 1,0 | 0,5 | +0,032 | +0,102 | 1,4 |
| 62731817 | 18 | 20 | 26 | 17 | 1,0 | 0,3 | +0,032 | +0,102 | 2,1 |
| 62732011 | 20 | 23 | 30 | 11,5 | 1,5 | 0,5 | +0,040 | +0,124 | 2,4 |
| 62732016 | 20 | 23 | 30 | 16,5 | 1,5 | 0,5 | +0,040 | +0,124 | 3,2 |
| 62732021 | 20 | 23 | 30 | 21,5 | 1,5 | 0,5 | +0,040 | +0,124 | 3,9 |
| 62732511 | 25 | 28 | 35 | 11,5 | 1,5 | 0,5 | +0,040 | +0,124 | 2,9 |
| 62732516 | 25 | 28 | 35 | 16,5 | 1,5 | 0,5 | +0,040 | +0,124 | 3,9 |
| 62732521 | 25 | 28 | 35 | 21,5 | 1,5 | 0,5 | +0,040 | +0,124 | 4,9 |
| 62733016 | 30 | 34 | 42 | 16 | 2,0 | 0,5 | +0,040 | +0,124 | 6,4 |
| 62733026 | 30 | 34 | 42 | 26 | 2,0 | 0,5 | +0,040 | +0,124 | 9,5 |
| 62733040 | 30 | 34 | 42 | 40 | 2,0 | 0,5 | +0,040 | +0,124 | 13,9 |
| 62734016 | 40 | 44 | 52 | 16 | 2,0 | 0,5 | +0,050 | +0,150 | 8,4 |
| 62734026 | 40 | 44 | 52 | 26 | 2,0 | 0,5 | +0,050 | +0,150 | 12,4 |
| 62734050 | 40 | 44 | 52 | 50 | 2,0 | 0,5 | +0,050 | +0,150 | 22,2 |
| 62735026 | 50 | 55 | 63 | 26 | 2,0 | 0,5 | +0,050 | +0,150 | 18,8 |
| 62735060 | 50 | 55 | 63 | 60 | 2,0 | 0,5 | +0,050 | +0,150 | 40,4 |
| 62736050 | 60 | 65 | 73 | 50 | 2,0 | 0,5 | +0,050 | +0,150 | 40,5 |
| 62736070 | 60 | 65 | 73 | 70 | 2,0 | 0,5 | +0,050 | +0,150 | 55,6 |