Product image
Product image

Material: Plastic Thermoplast (PA) reinforced, black, gloss finish. Hub: Steel, burnished.

With steel hubs of large dimension. For applications requiring a large contact surface or a large diameter bore.

Temperature resitant up to +120°C.

Keyway available at extra charge.

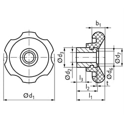
SKU d1 [mm] d2H7 [mm] d3 [mm] d6 [mm] d7 [mm] b1 [mm] l1 [mm] l2-0,5 [mm] l3 [mm] t [mm] Weight [g]
67505201 50 10 20 - 18 13 29 21 10 - 60
67506201 60 12 25 - 24 16 30 23 11 - 110
67507001 70 14 30 21,4 29 18 33 25 12 1,5 160
67508301 80 16 35 21,4 34 19 40 30 15 1,5 255