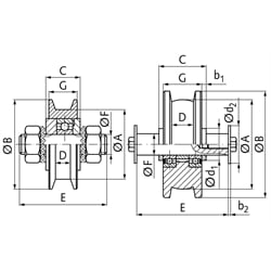
Napínacie kolesá vyrobené z ocele (C45) s obojstrannou prírubou
Especially suited for heavy-duty applications, e.g. electrically controlled gates. Precisely turned from solid material; with fully sealed precision bearings. Wheel body black oxide finish. Product No. 776 004 00 and 776 005 00 with square running surface and single bearing, Product No. 776 006 00 to 776 016 00 with convex running surface and double bearing. Delivery includes all mounting material needed; axle bolt at running surface Ø 35 and 45 mm with external thread, serrated washer and hexagon nuts, other sizes with internal thread, 6 hexagon screws and washers DIN ISO 7093-1. * The wheel loads stated are derived from the dimensions and temperatures listed in the roller bearing cataloques. For product No. 776 004 00 and 776 005 00 these values are valid at a maximum operating temperature of 90°C; for higher continuous temperatures, please inquire first. ** Rails are not part of our stock. Please inquire at your steel supplier.
| SKU | A [mm] | B [mm] | G [mm] | C [mm] | D [mm] | E [mm] | F [mm] | Wheel Load* max. [kg] | Kugellager | Weight [kg] | Recommended Rail** | d1 [mm] | b1 [mm] | d2 [mm] | b2 [mm] | Fastener |
|---|---|---|---|---|---|---|---|---|---|---|---|---|---|---|---|---|
| 77600400 | 35 | 45 | 17 | 20 | 10,3 | 50 | 10 | 160 | 1 x 6000 2Z | 0,18 | 40 x 10 | - | - | - | - | Flachmutter M10 mit Zahnscheibe |
| 77600500 | 45 | 55 | 19 | 24 | 12,3 | 65 | 12 | 250 | 1 x 6201 2Z | 0,32 | 50 x 12 | - | - | - | - | Flachmutter M12 mit Zahnscheibe |
| 77600600 | 63 | 75 | 27 | 33 | 15,3 | 68 | 15 | 480 | 2 x 6202 2Z | 0,75 | 60 x 15 | 20 | 3 | 30 | 2,5 | Sechskant-Schraube M16 x 16 mm |
| 77600800 | 84 | 100 | 34 | 40 | 20,3 | 80 | 20 | 840 | 2 x 6204 2Z | 1,50 | 60 x 20 | 26 | 3 | 37 | 3,0 | Sechskant-Schraube M16 x 16 mm |
| 77601000 | 100 | 125 | 40 | 46 | 25,0 | 96 | 25 | 960 | 2 x 6205 2Z | 3,35 | DIN 5901 S 7 | 32 | 3 | 37 | 3,0 | Sechskant-Schraube M16 x 16 mm |
| 77601300 | 130 | 160 | 52 | 58 | 32,0 | 120 | 30 | 1360 | 2 x 6206 2Z | 4,60 | DIN 5901 S 10 | 38 | 3 | 50 | 3,0 | Sechskant-Schraube M16 x 16 mm |
| 77601600 | 164 | 200 | 64 | 70 | 38,0 | 140 | 35 | 1800 | 2 x 6207 2Z | 8,80 | DIN 5901 S 14 | 45 | 3 | 60 | 4,0 | Sechskant-Schraube M16 x 16 mm |