Pružinové piestiky 417, bez aretácie
Material: Housing zinc die-cast, plastic coated black, textured finish. Plunger pin: Stainless steel 1.4305. Spring and lifting ring (type A): Stainless steel 1.4310. Knob (type B): Plastic (Polyamide PA) black, matt finish, not removable.
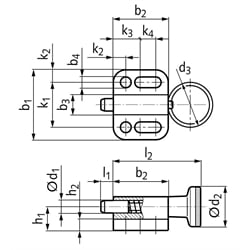
Indexing Plungers without rest position are used where, on releasing the knob or lifting ring, the plunger pin should be returned to its initial position by the spring force.
Type A: without rest position, with lifting ring.
Type B: without rest position, with knob.
| SKU | Form | d1 [mm] | d2 [mm] | d3 [mm] | b1 [mm] | b2 [mm] | b3 [mm] | b4 [mm] | h1 [mm] | h2 [mm] | k1 [mm] | k2 [mm] | k3 [mm] | k4 [mm] | l1 [mm] | l2 [mm] | Federdruck-Anfang [N] | Federdruck-Ende [N] |
|---|---|---|---|---|---|---|---|---|---|---|---|---|---|---|---|---|---|---|
| 66668004 | A | 4 | - | 14 | 22 | 16,5 | 6 | 3,3 | 7 | 4 | 14 | 4 | 8 | 4,5 | 4 | - | 3 | 12 |
| 66668005 | A | 5 | - | 18 | 28 | 22 | 8 | 4,3 | 9,5 | 4,5 | 18 | 5 | 10 | 7 | 5 | - | 5 | 24 |
| 66668006 | A | 6 | - | 24 | 32 | 27,5 | 10 | 5,4 | 10,5 | 5 | 21 | 5,5 | 12 | 10 | 6 | - | 5 | 21 |
| 66668008 | A | 8 | - | 30 | 34 | 33 | 12 | 5,4 | 12,5 | 6 | 23 | 5,5 | 12 | 15,5 | 8 | - | 6 | 22 |
| 66668010 | A | 10 | - | 30 | 39 | 35 | 14,5 | 6,5 | 14,5 | 6 | 27 | 6 | 15 | 13,5 | 10 | - | 4 | 25 |
| 66668104 | B | 4 | 12 | - | 22 | 16,5 | 6 | 3,3 | 7 | 4 | 14 | 4 | 8 | 4,5 | 4 | 26,5 | 3 | 12 |
| 66668105 | B | 5 | 16 | - | 28 | 22 | 8 | 4,3 | 9,5 | 4,5 | 18 | 5 | 10 | 7 | 5 | 35 | 5 | 24 |
| 66668106 | B | 6 | 18 | - | 32 | 27,5 | 10 | 5,4 | 10,5 | 5 | 21 | 5,5 | 12 | 10 | 6 | 43 | 5 | 21 |
| 66668108 | B | 8 | 21 | - | 34 | 33 | 12 | 5,4 | 12,5 | 6 | 23 | 5,5 | 12 | 15,5 | 8 | 51 | 6 | 22 |
| 66668110 | B | 10 | 25 | - | 39 | 35 | 14,5 | 6,5 | 14,5 | 6 | 27 | 6 | 15 | 13,5 | 10 | 57,5 | 4 | 25 |