Koncový spínač (núdzový spínač motora)
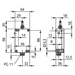
Material: Housing made from aluminium die-cast, painted grey, with rubber seal. Switch made from brass. Bellow made from neoprene (black). Housing screws zinc-plated. Cable connection made from plastic (grey). Electrical connection: 220-250V AC, 10 A. Application: Robust limit switch for safety clutches SI, safety clutches CM or similar applications. If the torque set on the clutch is exceeded, the clutch slips. At the same time the shift ring moves. The shift ring then triggers the switch and turns off the engine. This protects the entire drive system and prevents possible damage. Mounting: On the back wall are two bores Ø 4.3 mm. These fit two screws M4 with internal hexagon, slot or cross recess (head-Ø up to 7 mm). The wall thickness around the mounting holes is 8 mm.
| SKU | Voltage AC [V] | Current [A] | Weight [g] |
|---|---|---|---|
| 61260500 | 220-250 | 10 | 324 |