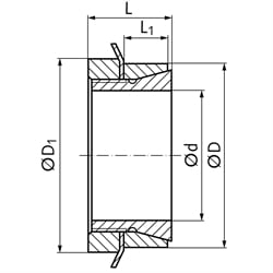
Upínacia sada SSGK, otvory 14 - 60 mm
- For fixing a hub (e.g. drive wheel, rotor or similar) on a shaft.
- For low torques.
- Very short version.
- Also suitable for small hub diameters.
- Not self-centering.
- Not self-locking.
- Axial movement during mounting.
Fit: Shaft h8, Hub H8. Surface roughness hub/shaft max. 12,5 µm.
| SKU | d [mm] | D [mm] | L [mm] | L1 [mm] | L2 [mm] | D1 [mm] | T [Nm] | Fax [k N] | PW [N/mm²] | PN [N/mm²] | Slotted Nut8.8 [Threadgröße] | TA [Nm] |
|---|---|---|---|---|---|---|---|---|---|---|---|---|
| 61520114 | 14 | 25 | 16,5 | 6,5 | 32 | 39 | 5 | 204 | 112 | M20x1 | 95 | 0,05 |
| 61520115 | 15 | 25 | 16,5 | 6,5 | 32 | 43 | 5,1 | 192 | 114 | M20x1 | 95 | 0,05 |
| 61520116 | 16 | 25 | 16,5 | 6,5 | 32 | 45 | 5,1 | 181 | 114 | M20x1 | 95 | 0,04 |
| 61520117 | 17 | 30 | 18 | 6,5 | 38 | 55 | 6 | 197 | 112 | M25x1,5 | 160 | 0,08 |
| 61520118 | 18 | 30 | 18 | 6,5 | 38 | 59 | 6 | 188 | 113 | M25x1,5 | 160 | 0,08 |
| 61520119 | 19 | 30 | 18 | 6,5 | 38 | 64 | 7 | 181 | 115 | M25x1,5 | 160 | 0,08 |
| 61520120 | 20 | 30 | 18 | 6,5 | 38 | 69 | 7,3 | 174 | 115 | M25x1,5 | 160 | 0,07 |
| 61520122 | 22 | 35 | 18 | 6,5 | 45 | 100 | 8 | 210 | 132 | M30x1,5 | 220 | 0,10 |
| 61520124 | 24 | 35 | 18 | 6,5 | 45 | 108 | 8,7 | 191 | 131 | M30x1,5 | 220 | 0,09 |
| 61520125 | 25 | 35 | 18 | 6,5 | 45 | 108 | 9 | 174 | 124 | M30x1,5 | 220 | 0,09 |
| 61520128 | 28 | 40 | 19,5 | 7 | 52 | 155 | 11 | 185 | 129 | M35x1,5 | 340 | 0,08 |
| 61520130 | 30 | 40 | 19,5 | 7 | 52 | 158 | 11 | 159 | 119 | M35x1,5 | 340 | 0,09 |
| 61520132 | 32 | 45 | 21,5 | 8 | 58 | 208 | 12 | 165 | 119 | M40x1,5 | 480 | 0,18 |
| 61520135 | 35 | 45 | 21,5 | 8 | 58 | 225 | 13 | 150 | 118 | M40x1,5 | 480 | 0,17 |
| 61520136 | 36 | 45 | 21,5 | 8 | 58 | 240 | 13,5 | 149 | 120 | M40x1,5 | 480 | 0,16 |
| 61520138 | 38 | 52 | 24,5 | 10 | 65 | 287 | 14 | 125 | 92 | M45x1,5 | 680 | 0,25 |
| 61520140 | 40 | 52 | 24,5 | 10 | 65 | 313 | 15 | 121 | 94 | M45x1,5 | 680 | 0,24 |
| 61520142 | 42 | 57 | 25,5 | 10 | 70 | 352 | 16 | 124 | 91 | M50x1,5 | 870 | 0,31 |
| 61520145 | 45 | 57 | 25,5 | 10 | 70 | 400 | 18 | 123 | 97 | M50x1,5 | 870 | 0,29 |
| 61520148 | 48 | 62 | 25,5 | 10 | 75 | 520 | 21 | 140 | 109 | M55x2 | 970 | 0,32 |
| 61520150 | 50 | 62 | 25,5 | 10 | 75 | 540 | 22 | 135 | 109 | M55x2 | 970 | 0,30 |
| 61520155 | 55 | 68 | 27,5 | 12 | 80 | 580 | 22 | 98 | 80 | M60x2 | 1100 | 0,35 |
| 61520156 | 56 | 68 | 27,5 | 12 | 80 | 610 | 22 | 99 | 80 | M60x2 | 1100 | 0,34 |
| 61520160 | 60 | 73 | 28,5 | 12 | 85 | 820 | 28 | 116 | 96 | M65x2 | 1300 | 0,42 |
| 61520163 | 63 | 79 | 30,5 | 14 | 92 | 1000 | 31 | 111 | 89 | M70x2 | 1600 | 0,56 |
| 61520165 | 65 | 79 | 30,5 | 14 | 92 | 1020 | 32 | 103 | 85 | M70x2 | 1600 | 0,52 |
| 61520170 | 70 | 84 | 31,5 | 14 | 98 | 1280 | 36 | 113 | 95 | M75x2 | 2000 | 0,63 |