Material: Steel.
- For fixing a hub (e.g. drive wheel, rotor or similar) on a shaft.
- For medium torques.
- Self-centering.
- Axial offset during mounting (can be compensated by correct positioning).
| SKU |
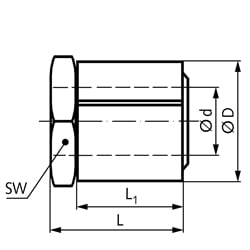
d [mm] |
D [mm] |
L [mm] |
L1 [mm] |
T [Nm] |
Fax [k N] |
Pw [N/mm2] |
PN [N/mm2] |
SW [mm] |
TA [Nm] |
Gewicht [g] |
|
61550305
|
5 |
14 |
19 |
15 |
10 |
4,0 |
264 |
97 |
14 |
10 |
18 |
|
61550306
|
6 |
14 |
19 |
15 |
12 |
4,0 |
220 |
96 |
14 |
10 |
17 |
|
61550307
|
7 |
16 |
22 |
17 |
20 |
5,8 |
205 |
91 |
16 |
17 |
26 |
|
61550308
|
8 |
16 |
22 |
17 |
23 |
5,8 |
180 |
91 |
16 |
17 |
24 |
|
61550309
|
9 |
20 |
24 |
19 |
43 |
9,7 |
246 |
115 |
22 |
35 |
47 |
|
61550310
|
10 |
20 |
24 |
19 |
48 |
9,7 |
221 |
115 |
22 |
35 |
44 |
|
61550311
|
11 |
22 |
24 |
19 |
59 |
10,8 |
225 |
117 |
22 |
44 |
51 |
|
61550312
|
12 |
22 |
24 |
19 |
65 |
10,9 |
207 |
117 |
22 |
44 |
48 |
|
61550314
|
14 |
26 |
28 |
22 |
93 |
13,3 |
179 |
99 |
27 |
65 |
81 |
|
61550315
|
15 |
26 |
28 |
22 |
99 |
13,3 |
167 |
99 |
27 |
65 |
75 |
|
61550316
|
16 |
26 |
28 |
22 |
106 |
13,3 |
156 |
99 |
27 |
65 |
71 |
|
61550317
|
17 |
32 |
34 |
26 |
163 |
19,2 |
187 |
108 |
32 |
110 |
149 |
|
61550318
|
18 |
35 |
36 |
27 |
223 |
24,8 |
224 |
125 |
36 |
161 |
197 |
|
61550319
|
19 |
35 |
36 |
27 |
235 |
24,8 |
213 |
125 |
36 |
161 |
189 |
|
61550320
|
20 |
35 |
36 |
27 |
248 |
24,8 |
202 |
125 |
36 |
161 |
182 |
|
61550322
|
22 |
42 |
41 |
30 |
349 |
31,7 |
197 |
111 |
46 |
250 |
343 |
|
61550324
|
24 |
42 |
41 |
30 |
381 |
31,7 |
181 |
111 |
46 |
250 |
322 |
|
61550325
|
25 |
42 |
41 |
30 |
397 |
31,7 |
174 |
111 |
46 |
250 |
310 |
|
61550328
|
28 |
47 |
44 |
33 |
565 |
40,3 |
174 |
110 |
50 |
355 |
403 |
|
61550330
|
30 |
47 |
44 |
33 |
605 |
40,3 |
163 |
110 |
50 |
355 |
375 |
|
61550332
|
32 |
55 |
51 |
38 |
764 |
47,7 |
166 |
102 |
55 |
490 |
626 |
|
61550335
|
35 |
55 |
51 |
38 |
836 |
47,7 |
152 |
102 |
55 |
490 |
566 |
|
61550338
|
38 |
62 |
58 |
43 |
1140 |
60,2 |
155 |
108 |
65 |
700 |
897 |
|
61550340
|
40 |
62 |
58 |
43 |
1329 |
66,5 |
147 |
108 |
65 |
800 |
842 |
|
61550342
|
42 |
65 |
63 |
48 |
1375 |
67 |
140 |
98 |
65 |
800 |
959 |
|
61550345
|
45 |
65 |
63 |
48 |
1605 |
71 |
142 |
98 |
65 |
900 |
855 |
|
61550348
|
48 |
75 |
73 |
58 |
2227 |
92 |
121 |
77 |
75 |
1290 |
1470 |
|
61550350
|
50 |
75 |
73 |
58 |
2320 |
92 |
116 |
77 |
75 |
1290 |
1380 |