Poistné matice KMV štvorcového tvaru s poistnými kolíkmi, poniklovaná oceľ
Material: Steel, nickel-plated, contact surface ground.
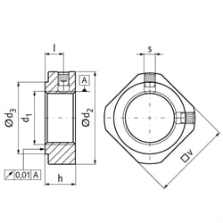
Reusable square nut with two integrated locking devices. The locking inserts from brass are pressed with set screws against the shaft thread. KMV locknuts are used, for example, in the MÄDLER® spindle bearing units BK, EK and FK. They are well suited for applications, which require a high precision and trustable locking.
1) Fastening torque of locking screw.
| SKU | Typ | d1 [mm] | d2 [mm] | d3 [mm] | h [mm] | l [mm] | S [mm] | TAS1) [Nm] | v [mm] | Gewicht [g] |
|---|---|---|---|---|---|---|---|---|---|---|
| 64201706 | KMV | M6 x 0,75 | 14,5 | 9 | 5 | 2,7 | M3 | 0,7 | 12 | 10 |
| 64201708 | KMV | M8 x 1 | 17 | 13 | 6,5 | 4,0 | M3 | 0,7 | 14 | 10 |
| 64201710 | KMV 0 | M10 x 1 | 19 | 15 | 8 | 5,5 | M3 | 0,7 | 16 | 15 |
| 64201712 | KMV 1 | M12 x 1 | 22 | 17 | 8 | 5,5 | M4 | 2,0 | 19 | 15 |
| 64201715 | KMV 2 | M15 x 1 | 25 | 21 | 8 | 4,5 | M4 | 2,0 | 22 | 20 |
| 64201717 | KMV 3 | M17 x 1 | 30 | 25 | 13 | 9,5 | M4 | 2,0 | 24 | 20 |
| 64201720 | KMV 4 | M20 x 1 | 35 | 27 | 11 | 7 | M4 | 2,0 | 30 | 30 |
| 64201725 | KMV 5 | M25 x 1,5 | 43 | 32 | 15 | 10 | M6 | 6,7 | 35 | 50 |
| 64201730 | KMV 6 | M30 x 1,5 | 48 | 37 | 20 | 14 | M6 | 6,7 | 40 | 100 |
| 64201735 | KMV 7 | M35 x 1,5 | 60 | 48 | 21 | 14 | M6 | 6,7 | 50 | 140 |
| 64201740 | KMV 8 | M40 x 1,5 | 62 | 48 | 25 | 18 | M6 | 6,7 | 50 | 120 |