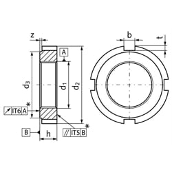
Poistné matice DIN 1804 h, ind. kalená, brúsené čelá, oceľ
Material: steel, only hardened at the outer diameter (in deviation from the DIN), faces ground.
At these nuts, the stepped face with Ø d3 shall always be used as the bearing face.
From size M45x1.5, the nuts have 6 slots.
| SKU | Thread d1 | d2 h11[mm] | d3 [mm] | h h14 [mm] | b [mm] | t [mm] | z [mm] | Number of grooves | Weight [g] |
|---|---|---|---|---|---|---|---|---|---|
| 65280800 | M8x1 | 20 | 16 | 5 | 4 | 1,5 | 0,5 | 4 | 10 |
| 65281000 | M10x1 | 25 | 20 | 6 | 5 | 2 | 0,5 | 4 | 17 |
| 65281200 | M12x1,5 | 28 | 23 | 6 | 5 | 2 | 0,5 | 4 | 22 |
| 65281400 | M14x1,5 | 30 | 25 | 7 | 5 | 2 | 0,5 | 4 | 29 |
| 65281600 | M16x1,5 | 32 | 27 | 7 | 5 | 2 | 0,5 | 4 | 32 |
| 65281800 | M18x1,5 | 34 | 28 | 8 | 6 | 2,5 | 0,5 | 4 | 40 |
| 65282000 | M20x1,5 | 36 | 30 | 8 | 6 | 2,5 | 0,5 | 4 | 42 |
| 65282200 | M22x1,5 | 40 | 34 | 9 | 6 | 2,5 | 0,5 | 4 | 59 |
| 65282400 | M24x1,5 | 42 | 36 | 9 | 6 | 2,5 | 0,5 | 4 | 63 |
| 65282600 | M26x1,5 | 45 | 38 | 10 | 7 | 3 | 0,5 | 4 | 78 |
| 65282800 | M28x1,5 | 50 | 43 | 10 | 7 | 3 | 0,5 | 4 | 101 |
| 65283000 | M30x1,5 | 50 | 43 | 10 | 7 | 3 | 0,5 | 4 | 94 |
| 65283200 | M32x1,5 | 52 | 45 | 11 | 7 | 3 | 0,5 | 4 | 108 |
| 65283500 | M35x1,5 | 55 | 48 | 11 | 7 | 3 | 0,5 | 4 | 117 |
| 65283800 | M38x1,5 | 58 | 50 | 11 | 8 | 3,5 | 0,5 | 4 | 123 |
| 65284000 | M40x1,5 | 62 | 54 | 12 | 8 | 3,5 | 0,5 | 4 | 159 |
| 65284200 | M42x1,5 | 62 | 54 | 12 | 8 | 3,5 | 0,5 | 4 | 147 |
| 65284500 | M45x1,5 | 68 | 60 | 12 | 8 | 3,5 | 0,5 | 6 | 181 |
| 65284800 | M48x1,5 | 75 | 67 | 13 | 8 | 3,5 | 0,5 | 6 | 253 |
| 65285000 | M50x1,5 | 75 | 67 | 13 | 8 | 3,5 | 0,5 | 6 | 238 |
| 65285200 | M52x1,5 | 80 | 70 | 13 | 10 | 4 | 0,5 | 6 | 275 |
| 65285500 | M55x1,5 | 80 | 70 | 13 | 10 | 4 | 0,5 | 6 | 251 |
| 65285800 | M58x1,5 | 90 | 80 | 13 | 10 | 4 | 0,5 | 6 | 360 |
| 65286000 | M60x1,5 | 90 | 80 | 13 | 10 | 4 | 0,5 | 6 | 341 |
| 65286200 | M62x1,5 | 95 | 85 | 14 | 10 | 4 | 0,5 | 6 | 426 |
| 65286500 | M65x1,5 | 95 | 85 | 14 | 10 | 4 | 0,5 | 6 | 394 |
| 65286800 | M68x1,5 | 100 | 90 | 14 | 10 | 4 | 0,5 | 6 | 444 |
| 65287000 | M70x1,5 | 100 | 90 | 14 | 10 | 4 | 0,5 | 6 | 418 |
| 65287200 | M72x1,5 | 110 | 100 | 14 | 10 | 4 | 0,5 | 6 | 577 |
| 65287500 | M75x1,5 | 110 | 100 | 14 | 10 | 4 | 0,5 | 6 | 540 |
| 65288000 | M80x2 | 115 | 105 | 16 | 10 | 4 | 1 | 6 | 576 |
| 65288500 | M85x2 | 120 | 110 | 16 | 10 | 4 | 1 | 6 | 680 |
| 65289000 | M90x2 | 130 | 120 | 16 | 10 | 4 | 1 | 6 | 843 |
| 65289500 | M95x2 | 135 | 120 | 16 | 12 | 5 | 1 | 6 | 860 |
| 65289900 | M100x2 | 145 | 130 | 16 | 12 | 5 | 1 | 6 | 1040 |