Product image
Product image

Material: Elastomer: Natural rubber 62° +/-5° Shore. Metal parts: Steel, strength 5.6, zinc-plated.

Elastic mounts for machines. Not failsafe: For applications without tensile forces.

The stated values are guideline values for the static load at durometer of 62º Shore A (medium), +/- 20%.

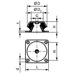
1) Spring Load.

2) Permissable permanent static load.

SKU D [mm] D2 [mm] d [mm] G [mm] H [mm] L [mm] m [mm] s [mm] CDmittel 1) [N/mm] Fzul. 2) [N] Einfederung [mm] Gewicht [kg]
68598001 101 60 9 M12 40 108 88 3 5000 2000 2,5 0,67
68598501 150 110 12,5 M16 51,5 168 132 4 13000 5200 2,5 2,04
68599001 177 125 13 M20 63 184 150 4,5 16800 4800 3,5 3,10
68599501 192 150 13 M20 70 200 165 6 18200 5200 3,5 4,45