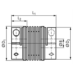
Kovové vlnovcové spojky MBK, krátka verzia
Material: Hubs aluminium, bellow stainless steel. Zero backlash, with high torsional stiffness. For highly dynamic positioning and servo systems, pumps, portal drives etc.. With clamps, ready-to-install for rapid mounting. Temperature range of all types -40°C to +120°C. 1) Standard bores. 2) Different bores (even one-sided) up to max bore available against surcharge.Please regard the operating factors. See PDF-catalog page.
| SKU | Torque max. * [Nm] | Bore B+0,03-0 [mm] | Bore max. 2) [mm] | L1 [mm] | L2 [mm] | D1 [mm] | D2 [mm] | Angle + [°] | Max. Displacement radial [mm] | Max. Displacement axial [mm] | Recomm. max. Speed [rpm] | Torsional Rigidity [Nm/Rad] | Weight [g] |
|---|---|---|---|---|---|---|---|---|---|---|---|---|---|
| 60151803 | 2,0 | 3 | 8 | 31,0 | 11 | 20 | 18,2 | 2,0 | 0,06 | 0,35 | 5000 | 315 | 16 |
| 60151804 | 2,0 | 4 | 8 | 31,0 | 11 | 20 | 18,2 | 2,0 | 0,06 | 0,35 | 5000 | 315 | 16 |
| 60151805 | 2,0 | 5 | 8 | 31,0 | 11 | 20 | 18,2 | 2,0 | 0,06 | 0,35 | 5000 | 315 | 16 |
| 60151806 | 2,0 | 6 | 8 | 31,0 | 11 | 20 | 18,2 | 2,0 | 0,06 | 0,35 | 5000 | 315 | 16 |
| 60151808 | 2,0 | 8 | 8 | 31,0 | 11 | 20 | 18,2 | 2,0 | 0,06 | 0,35 | 5000 | 315 | 16 |
| 60152306 | 3,2 | 6 | 12 | 37,5 | 14 | 26 | 23,4 | 2,0 | 0,06 | 0,36 | 5000 | 755 | 34 |
| 60152308 | 3,2 | 8 | 12 | 37,5 | 14 | 26 | 23,4 | 2,0 | 0,06 | 0,36 | 5000 | 755 | 34 |
| 60152310 | 3,2 | 10 | 12 | 37,5 | 14 | 26 | 23,4 | 2,0 | 0,06 | 0,36 | 5000 | 755 | 34 |
| 60152312 | 3,2 | 12 | 12 | 37,5 | 14 | 26 | 23,4 | 2,0 | 0,06 | 0,36 | 5000 | 755 | 34 |
| 60153108 | 7,5 | 8 | 16 | 40,0 | 14 | 34 | 31,0 | 2,5 | 0,10 | 0,60 | 5000 | 1740 | 56 |
| 60153110 | 7,5 | 10 | 16 | 40,0 | 14 | 34 | 31,0 | 2,5 | 0,10 | 0,60 | 5000 | 1740 | 56 |
| 60153112 | 7,5 | 12 | 16 | 40,0 | 14 | 34 | 31,0 | 2,5 | 0,10 | 0,60 | 5000 | 1740 | 56 |
| 60153114 | 7,5 | 14 | 16 | 40,0 | 14 | 34 | 31,0 | 2,5 | 0,10 | 0,60 | 5000 | 1740 | 56 |
| 60153116 | 7,5 | 16 | 16 | 40,0 | 14 | 34 | 31,0 | 2,5 | 0,10 | 0,60 | 5000 | 1740 | 56 |
| 60153710 | 10,0 | 10 | 20 | 49,7 | 18 | 41 | 37,4 | 2,5 | 0,15 | 0,80 | 5000 | 2880 | 99 |
| 60153712 | 10,0 | 12 | 20 | 49,7 | 18 | 41 | 37,4 | 2,5 | 0,15 | 0,80 | 5000 | 2880 | 99 |
| 60153714 | 10,0 | 14 | 20 | 49,7 | 18 | 41 | 37,4 | 2,5 | 0,15 | 0,80 | 5000 | 2880 | 99 |
| 60153716 | 10,0 | 16 | 20 | 49,7 | 18 | 41 | 37,4 | 2,5 | 0,15 | 0,80 | 5000 | 2880 | 99 |
| 60153718 | 10,0 | 18 | 20 | 49,7 | 18 | 41 | 37,4 | 2,5 | 0,15 | 0,80 | 5000 | 2880 | 99 |
| 60153720 | 10,0 | 20 | 20 | 49,7 | 18 | 41 | 37,4 | 2,5 | 0,15 | 0,80 | 5000 | 2880 | 99 |