Presné nivelačné prvky pozinkovaná ocel
Material: 42CrMo4V, Nr. 1.7225, zinc plated and blue passivated.
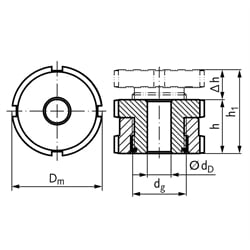
- For parall surfaces.
- Lower overall height with short adjustment travel.
- Without lock nut.
*the static net load Fadd can be calculated after subtracting the pre-load (steel bolt strength class 8.8, stainless steel bolt strenght 6.8) from the total load Ftot. Other sizes on request.
| SKU | Type | matching screw | h [mm] | h1 [mm] | Δh [mm] | Dm [mm] | dg | d D [mm] | F total [k N] | F addit.* [k N] | Weight [g] |
|---|---|---|---|---|---|---|---|---|---|---|---|
| 68630500 | MN 686.3 15-6,6 | M6 | 15 | 19 | 4 | 25 | M15x1,0 | 6,6 | 40 | 30,7 | 40 |
| 68631000 | MN 686.3 20-6,6 | M6 | 18 | 23 | 5 | 32 | M20x1,0 | 6,6 | 65 | 55,7 | 85 |
| 68631500 | MN 686.3 20-9,0 | M8 | 18 | 23 | 5 | 32 | M20x1,0 | 9 | 65 | 48 | 81 |
| 68632000 | MN 686.3 20-11,0 | M10 | 18 | 23 | 5 | 32 | M20x1,0 | 11 | 65 | 37,9 | 77 |
| 68632500 | MN 686.3 30-11,0 | M10 | 22 | 29 | 7 | 45 | M30x1,5 | 11 | 120 | 92,9 | 206 |
| 68633000 | MN 686.3 30-13,5 | M12 | 22 | 29 | 7 | 45 | M30x1,5 | 13,5 | 120 | 80,4 | 198 |
| 68633500 | MN 686.3 30-17,5 | M16 | 22 | 29 | 7 | 45 | M30x1,5 | 17,5 | 120 | 45,5 | 182 |
| 68634000 | MN 686.3 40-17,5 | M16 | 28 | 37 | 9 | 58 | M40x1,5 | 17,5 | 210 | 136 | 419 |
| 68634500 | MN 686.3 40-22,0 | M20 | 28 | 37 | 9 | 58 | M40x1,5 | 22 | 210 | 90 | 390 |
| 68635000 | MN 686.3 40-26,0 | M24 | 28 | 37 | 9 | 58 | M40x1,5 | 26 | 210 | 37 | 356 |
| 68635500 | MN 686.3 50-22,0 | M20 | 33 | 43 | 10 | 70 | M50x1,5 | 22 | 330 | 210 | 748 |
| 68636000 | MN 686.3 50-26,0 | M24 | 33 | 43 | 10 | 70 | M50x1,5 | 26 | 330 | 157 | 710 |
| 68636500 | MN 686.3 50-33,0 | M30 | 33 | 43 | 10 | 70 | M50x1,5 | 33 | 330 | 53 | 629 |
| 68637000 | MN 686.3 60-26,0 | M24 | 38 | 50 | 12 | 80 | M60x2,0 | 26 | 495 | 322 | 1102 |
| 68637500 | MN 686.3 60-33,0 | M30 | 38 | 50 | 12 | 80 | M60x2,0 | 33 | 495 | 218 | 1011 |
| 68638000 | MN 686.3 60-39,0 | M36 | 38 | 50 | 12 | 80 | M60x2,0 | 39 | 495 | 101 | 906 |