Presné nivelačné prvky MN 686.1, pozinkované
Material: 42CrMo4V, Nr. 1.7225, zinc plated and blue passivated.
- For parall surfaces.
- Larger overall height with more adjustment travel.
- Without lock nut.
*the static net load Fadd can be calculated after subtracting the pre-load (steel bolt strength class 8.8, stainless steel bolt strenght 6.8) from the total load Ftot. Other sizes on request.
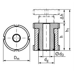
| SKU | Type | matching screw | h [mm] | h1 [mm] | Δh [mm] | Dm [mm] | dg [mm] | d D [mm] | F total [k N] | F addit.* [k N] | Weight [g] |
|---|---|---|---|---|---|---|---|---|---|---|---|
| 68610500 | MN 686.1 15-6,6 | M6 | 28 | 43 | 15 | 25 | M15x1,0 | 6,6 | 40 | 30,7 | 66 |
| 68611000 | MN 686.1 20-6,6 | M6 | 35 | 55 | 20 | 32 | M20x1,0 | 6,6 | 65 | 55,7 | 155 |
| 68611500 | MN 686.1 20-9,0 | M8 | 35 | 55 | 20 | 32 | M20x1,0 | 9 | 65 | 48 | 148 |
| 68612000 | MN 686.1 20-11,0 | M10 | 35 | 55 | 20 | 32 | M20x1,0 | 11 | 65 | 37,9 | 138 |
| 68612500 | MN 686.1 30-11,0 | M10 | 42 | 67 | 25 | 45 | M30x1,5 | 11 | 120 | 92,9 | 367 |
| 68613000 | MN 686.1 30-13,5 | M12 | 42 | 67 | 25 | 45 | M30x1,5 | 13,5 | 120 | 80,4 | 348 |
| 68613500 | MN 686.1 30-17,5 | M16 | 42 | 67 | 25 | 45 | M30x1,5 | 17,5 | 120 | 45,5 | 319 |
| 68614000 | MN 686.1 40-17,5 | M16 | 54 | 86 | 32 | 58 | M40x1,5 | 17,5 | 210 | 136 | 764 |
| 68614500 | MN 686.1 40-22,0 | M20 | 54 | 86 | 32 | 58 | M40x1,5 | 22 | 210 | 90 | 704 |
| 68615000 | MN 686.1 40-26,0 | M24 | 54 | 86 | 32 | 58 | M40x1,5 | 26 | 210 | 37 | 647 |
| 68615500 | MN 686.1 50-22,0 | M20 | 66 | 106 | 40 | 70 | M50x1,5 | 22 | 330 | 210 | 1418 |
| 68616000 | MN 686.1 50-26,0 | M24 | 66 | 106 | 40 | 70 | M50x1,5 | 26 | 330 | 157 | 1340 |
| 68616500 | MN 686.1 50-33,0 | M30 | 66 | 106 | 40 | 70 | M50x1,5 | 33 | 330 | 53 | 1175 |
| 68617000 | MN 686.1 60-26,0 | M24 | 76 | 126 | 50 | 80 | M60x2,0 | 26 | 495 | 322 | 2046 |
| 68617500 | MN 686.1 60-33,0 | M30 | 76 | 126 | 50 | 80 | M60x2,0 | 33 | 495 | 218 | 1858 |
| 68618000 | MN 686.1 60-39,0 | M36 | 76 | 126 | 50 | 80 | M60x2,0 | 39 | 495 | 101 | 1640 |