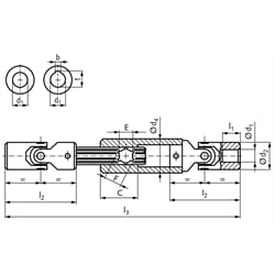
Presné klzné hriadele s kĺbmi PWNR, nehrdzavejúca oceľ, s ihlovými ložiskami
Material: Stainless steel 1.4301 (AISI 304). Needle bearings from steel EN 10027-1 DC04 (1.0338) and 100Cr6.
The combination of stainless steel body and standard needle bearings allows the use in applications where high speed and low backlash are required, even in demanding conditions. Max. Operating Angle per Joint 90°. Other lengths on request.
Optionally without or with keyway DIN 6885-1, on both sides.
| SKU | d1H7 [mm] | d2 [mm] | d4 [mm] | l1 [mm] | l2 [mm] | l3 min. [mm] | l3 max. [mm] | C [mm] | E [mm] | F [mm] | b JS9 [mm] | t [mm] | zul.max.Drehmom. bei : 250 min -1 [Nm] | bei 500 min -1 [Nm] | bei 1000 min -1 [Nm] | bei 2000 min -1 [Nm] | bei 3000 min -1 [Nm] | bei 3600 min -1 [Nm] | Gewicht [kg] |
|---|---|---|---|---|---|---|---|---|---|---|---|---|---|---|---|---|---|---|---|
| 63199920 | 10 | 20 | 21,2 | 18 | 62 | 170 | 200 | 30 | 11 | 14 | - | - | 21,1 | 16,3 | 13,4 | 10,6 | 9,6 | 8,6 | 0,33 |
| 63199920N | 10 | 20 | 21,2 | 18 | 62 | 170 | 200 | 30 | 11 | 14 | 3 | 11,4 | 21,1 | 16,3 | 13,4 | 10,6 | 9,6 | 8,6 | 0,33 |
| 63199925 | 14 | 25 | 26,5 | 20 | 74 | 220 | 270 | 35 | 13 | 16 | - | - | 32,6 | 27,8 | 23,0 | 21,1 | 19,2 | 17,3 | 0,58 |
| 63199925N | 14 | 25 | 26,5 | 20 | 74 | 220 | 270 | 35 | 13 | 16 | 5 | 16,3 | 32,6 | 27,8 | 23,0 | 21,1 | 19,2 | 17,3 | 0,58 |
| 63199932 | 16 | 32 | 32,5 | 24 | 86 | 250 | 320 | 40 | 16 | 20 | - | - | 62 | 53 | 43,2 | 38,4 | 35,5 | 30,7 | 1,15 |
| 63199932N | 16 | 32 | 32,5 | 24 | 86 | 250 | 320 | 40 | 16 | 20 | 5 | 18,3 | 62 | 53 | 43,2 | 38,4 | 35,5 | 30,7 | 1,15 |
| 63199940 | 20 | 40 | 41,5 | 30 | 108 | 290 | 360 | 48 | 21 | 25 | - | - | 134 | 115 | 96 | 77 | 67 | 62 | 2,08 |
| 63199940N | 20 | 40 | 41,5 | 30 | 108 | 290 | 360 | 48 | 21 | 25 | 6 | 22,8 | 134 | 115 | 96 | 77 | 67 | 62 | 2,08 |
| 63199950 | 25 | 50 | 47,5 | 38 | 132 | 350 | 435 | 48 | 26 | 32 | - | - | 192 | 163 | 125 | 106 | 86 | 82 | 3,79 |
| 63199950N | 25 | 50 | 47,5 | 38 | 132 | 350 | 435 | 48 | 26 | 32 | 8 | 28,3 | 192 | 163 | 125 | 106 | 86 | 82 | 3,79 |
| 63199963 | 30 | 63 | 60 | 45 | 166 | 400 | 490 | 48 | 26 | 32 | - | - | 288 | 259 | 221 | 182 | 154 | 134 | 6,0 |
| 63199963N | 30 | 63 | 60 | 45 | 166 | 400 | 490 | 48 | 26 | 32 | 8 | 33,3 | 288 | 259 | 221 | 182 | 154 | 134 | 6,0 |