Kladky T5, šírka remeňa 10 mm, plastové
Material: Acetal resin in die-cast version, colour black. Bores machined. High hardness and low coefficient of friction which means they can be used in various set-ups, e.g. also under water. Note regarding pulleys made of acetal resin: Inside these die-cast parts are some cavities caused by production. These parts should therefore not be drilled too deep. With larger bores or when grooving the cavities might become visible. This often does not affect the functionality.
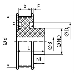
| SKU | No. of Teeth | Belt Width [mm] | Outer Ø Toothed Wheel [mm] | Outer Ø Flanged Wheel [mm] | d [mm] | ND [mm] | NL [mm] | Di [mm] | F [mm] | b [mm] | L [mm] | c [mm] | Pilot Bore B [mm] | Weight [g] |
|---|---|---|---|---|---|---|---|---|---|---|---|---|---|---|
| 16251200 | 12 | 10 | 18,26 | 20,65 | 19,10 | 15 | 8 | - | 1,25 | 11,5 | 22 | - | 5 | 6,2 |
| 16251300 | 13 | 10 | 19,85 | 22,25 | 20,69 | 15 | 8 | - | 1,25 | 11,5 | 22 | - | 5 | 7,2 |
| 16251400 | 14 | 10 | 21,44 | 23,85 | 22,28 | 15 | 8 | - | 1,25 | 11,5 | 22 | - | 5 | 8,1 |
| 16251500 | 15 | 10 | 23,03 | 25,45 | 23,87 | 16 | 8 | 19 | 1,25 | 11,5 | 22 | 7 | 6 | 8,6 |
| 16251600 | 16 | 10 | 24,62 | 27,00 | 25,46 | 16 | 8 | 19 | 1,25 | 11,5 | 22 | 7 | 6 | 9,6 |
| 16251700 | 17 | 10 | 26,22 | 28,60 | 27,06 | 16 | 8 | 19 | 1,25 | 11,5 | 22 | 7 | 6 | 10,8 |
| 16251800 | 18 | 10 | 27,81 | 30,20 | 28,65 | 16 | 8 | 19 | 1,25 | 11,5 | 22 | 7 | 6 | 12,2 |
| 16251900 | 19 | 10 | 29,40 | 31,80 | 30,24 | 16 | 8 | 22 | 1,25 | 11,5 | 22 | 6 | 8 | 12,3 |
| 16252000 | 20 | 10 | 30,99 | 33,40 | 31,83 | 16 | 8 | 25 | 1,25 | 11,5 | 22 | 6 | 8 | 12,5 |
| 16252200 | 22 | 10 | 34,17 | 36,55 | 35,01 | 18 | 8 | 27 | 1,25 | 11,5 | 22 | 6 | 8 | 15,3 |
| 16252500 | 25 | 10 | 38,95 | 41,35 | 39,79 | 18 | 8 | 32 | 1,25 | 11,5 | 22 | 6 | 8 | 18,8 |
| 16252800 | 28 | 10 | 43,72 | 46,15 | 44,56 | 18 | 8 | 36 | 1,25 | 11,5 | 22 | 6 | 10 | 22,0 |
| 16253200 | 32 | 10 | 50,09 | 52,50 | 50,93 | 18 | 8 | 42 | 1,25 | 11,5 | 22 | 6 | 10 | 27,7 |
| 16253600 | 36 | 10 | 56,46 | 58,85 | 57,30 | 18 | 8 | 47 | 1,25 | 11,5 | 22 | 6 | 10 | 34,9 |
| 16254000 | 40 | 10 | 62,82 | 65,25 | 63,66 | 18 | 8 | 53 | 1,25 | 11,5 | 22 | 6 | 10 | 41,9 |
| 16254800 | 48 | 10 | 75,55 | 77,95 | 76,39 | 18 | 8 | 66 | 1,25 | 11,5 | 22 | 6 | 10 | 57,7 |
| 16256000 | 60 | 10 | 94,65 | 97,05 | 95,49 | 18 | 8 | 85 | 1,25 | 11,5 | 22 | 6 | 10 | 86,5 |
| 16257200 | 72 | 10 | 113,75 | 116,15 | 114,59 | 18 | 8 | 104 | 1,25 | 11,5 | 22 | 6 | 10 | 126,5 |
| 16258400 | 84 | 10 | 132,85 | 135,30 | 133,69 | 18 | 8 | 123 | 1,25 | 11,5 | 22 | 6 | 10 | 169,6 |