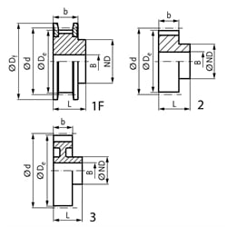
Kladky XL 037
Material: Aluminium similar EN AW2017A.
Flanges zinc-plated steel. Pre-bored (up to a Teeth Number of 24 only centre hole).
Profile XL = 1/5" = 5.08 mm. Belt width 037 = 9.53 mm.
| SKU | No. of Teeth | Type | Belt Width [mm] | De [mm] | Df [mm] | d [mm] | ND [mm] | b [mm] | L [mm] | Pilot Bore B [mm] | Weight [g] |
|---|---|---|---|---|---|---|---|---|---|---|---|
| 18031000 | 10 | 1F | 9,53 | 15,66 | 23 | 16,17 | 10 | 14,3 | 20 | - | 21 |
| 18031100 | 11 | 1F | 9,53 | 17,28 | 23 | 17,79 | 10 | 14,3 | 20 | - | 23 |
| 18031200 | 12 | 1F | 9,53 | 18,90 | 25 | 19,40 | 10 | 14,3 | 20 | - | 29 |
| 18031300 | 13 | 1F | 9,53 | 20,51 | 25 | 21,02 | 10 | 14,3 | 20 | - | 36 |
| 18031400 | 14 | 1F | 9,53 | 22,13 | 28 | 22,64 | 16 | 14,3 | 20 | - | 42 |
| 18031500 | 15 | 1F | 9,53 | 23,75 | 28 | 24,26 | 16 | 14,3 | 20 | - | 50 |
| 18031600 | 16 | 1F | 9,53 | 25,36 | 32 | 25,87 | 16 | 14,3 | 20 | - | 58 |
| 18031700 | 17 | 1F | 9,53 | 26,98 | 32 | 27,49 | 20 | 14,3 | 20 | - | 71 |
| 18031800 | 18 | 1F | 9,53 | 28,60 | 36 | 29,11 | 20 | 14,3 | 20 | - | 84 |
| 18031900 | 19 | 1F | 9,53 | 30,22 | 36 | 30,72 | 20 | 14,3 | 22 | - | 87 |
| 18032000 | 20 | 1F | 9,53 | 31,83 | 38 | 32,34 | 25 | 14,3 | 22 | - | 111 |
| 18032100 | 21 | 1F | 9,53 | 33,45 | 38 | 33,96 | 25 | 14,3 | 22 | - | 111 |
| 18032200 | 22 | 1F | 9,53 | 35,07 | 42 | 35,57 | 25 | 14,3 | 22 | - | 129 |
| 18032400 | 24 | 1F | 9,53 | 38,30 | 44 | 38,81 | 30 | 14,3 | 22 | - | 161 |
| 18032600 | 26 | 1F | 9,53 | 41,53 | 48 | 42,04 | 30 | 14,3 | 22 | 8 | 180 |
| 18032700 | 27 | 1F | 9,53 | 43,15 | 48 | 43,66 | 34 | 14,3 | 22 | 8 | 199 |
| 18032800 | 28 | 1F | 9,53 | 44,77 | 51 | 45,28 | 34 | 14,3 | 22 | 8 | 217 |
| 18033000 | 30 | 1F | 9,53 | 48,00 | 54 | 48,51 | 38 | 14,3 | 22 | 8 | 253 |
| 18033200 | 32 | 1F | 9,53 | 51,24 | 57 | 51,74 | 38 | 14,3 | 25 | 8 | 307 |
| 18033400 | 34 | 1F | 9,53 | 54,47 | 60 | 54,98 | 38 | 14,3 | 25 | 8 | 339 |
| 18033500 | 35 | 1F | 9,53 | 56,09 | 63 | 56,60 | 38 | 14,3 | 25 | 8 | 350 |
| 18033600 | 36 | 2 | 9,53 | 57,70 | - | 58,21 | 45 | 14,3 | 25 | 8 | 142 |
| 18033800 | 38 | 2 | 9,53 | 60,94 | - | 61,45 | 45 | 14,3 | 25 | 8 | 157 |
| 18034000 | 40 | 2 | 9,53 | 64,17 | - | 64,68 | 45 | 14,3 | 25 | 8 | 165 |
| 18034200 | 42 | 2 | 9,53 | 67,41 | - | 67,91 | 45 | 14,3 | 25 | 8 | 178 |
| 18034400 | 44 | 2 | 9,53 | 70,64 | - | 71,15 | 45 | 14,3 | 25 | 8 | 193 |
| 18034800 | 48 | 3 | 9,53 | 77,11 | - | 77,62 | 45 | 14,3 | 25 | 10 | 180 |
| 18036000 | 60 | 3 | 9,53 | 96,51 | - | 97,02 | 45 | 14,3 | 25 | 10 | 213 |
| 18037200 | 72 | 3 | 9,53 | 115,92 | - | 116,42 | 45 | 14,3 | 25 | 10 | 274 |