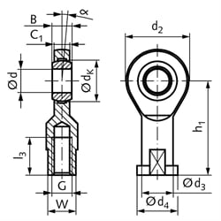
Kĺbové oká GEW DIN ISO 12240-4, E, bezúdržbové, vnútorný závit
Material: Outer part: Zinc-plated. Boreholes up to 10mm: free-cutting steel, turned. From boreholes 12mm: Steel C45, forged. Inner ring: Roller bearing steel 100Cr6, hardened HRC 62+/-1, ground and polished. Bearing race: Steel with PTFE-lining. Small version. Dimensions according to DIN ISO 12240-4 (DIN 648) series E. Thread either right-handed or left-handed.
- Rod ends for high radial and axial alternating loads.
- Steel on PTFE-lining.
- Maintenance-fee.
- Sliding speed up to 10 m/min.
| SKU | Thread [mm] | d [mm] | B [mm] | C1 [mm] | d2 [mm] | d3 [mm] | d4 [mm] | d K [mm] | h1 [mm] | l3 [mm] | Thread Size d3 [mm] | Thread Slope[mm] | W [mm] | Tipping Angle Alpha [°] | Weight [g] |
|---|---|---|---|---|---|---|---|---|---|---|---|---|---|---|---|
| 63410600 | rechts | 6 | 6 | 4,4 | 20 | 10 | 13 | 10 | 30 | 12 | M6 | 1,0 | 11 | 13 | 21 |
| 63410800 | rechts | 8 | 8 | 6 | 24 | 12,5 | 16 | 13 | 36 | 16 | M8 | 1,25 | 14 | 15 | 38 |
| 63411000 | rechts | 10 | 9 | 7 | 28 | 15 | 19 | 16 | 43 | 20 | M10 | 1,5 | 17 | 12 | 60 |
| 63411200 | rechts | 12 | 10 | 8 | 34 | 17,5 | 22 | 18 | 50 | 22 | M12 | 1,75 | 19 | 11 | 96 |
| 63411500 | rechts | 15 | 12 | 10 | 40 | 21 | 26 | 22 | 61 | 29 | M14 | 2,0 | 22 | 8 | 180 |
| 63411600 | rechts | 16 | 14 | 11 | 46 | 24 | 30 | 25 | 67 | 33 | M16 | 2,0 | 27 | 10 | 220 |
| 63411700 | rechts | 17 | 14 | 11 | 46 | 24 | 30 | 25 | 67 | 33 | M16 | 2,0 | 27 | 10 | 220 |
| 63412000 | rechts | 20 | 16 | 13 | 53 | 27,5 | 35 | 29 | 77 | 38 | M20x1,5 | 1,5 | 32 | 9 | 350 |
| 63412500 | rechts | 25 | 20 | 17 | 64 | 33,5 | 42 | 35,5 | 94 | 48 | M24x2 | 2,0 | 36 | 7 | 640 |
| 63413000 | rechts | 30 | 22 | 19 | 73 | 40 | 50 | 40,7 | 110 | 56 | M30x2 | 2,0 | 41 | 6 | 930 |
| 63413500 | rechts | 35 | 25 | 21 | 82 | 47 | 58 | 47 | 125 | 60 | M36x3 | 3,0 | 50 | 6 | 1300 |
| 63414000 | rechts | 40 | 28 | 23 | 92 | 52 | 65 | 53 | 142 | 65 | M39x3 | 3,0 | 55 | 7 | 2000 |
| 63414500 | rechts | 45 | 32 | 27 | 102 | 58 | 70 | 60 | 145 | 65 | M42x3 | 3,0 | 60 | 7 | 2500 |
| 63415000 | rechts | 50 | 35 | 30 | 112 | 62 | 75 | 66 | 160 | 68 | M45x3 | 3,0 | 65 | 6 | 3500 |
| 63416000 | rechts | 60 | 44 | 38 | 135 | 70 | 88 | 80 | 175 | 70 | M52x3 | 3,0 | 75 | 6 | 5550 |
| 63417000 | rechts | 70 | 49 | 42 | 160 | 80 | 98 | 92 | 200 | 80 | M56x4 | 4,0 | 85 | 6 | 8600 |
| 63418000 | rechts | 80 | 55 | 47 | 180 | 95 | 110 | 105 | 235 | 85 | M64x4 | 4,0 | 100 | 6 | 12000 |
| 63430600 | links | 6 | 6 | 4,4 | 20 | 10 | 13 | 10 | 30 | 12 | M6 | 1,0 | 11 | 13 | 21 |
| 63430800 | links | 8 | 8 | 6 | 24 | 12,5 | 16 | 13 | 36 | 16 | M8 | 1,25 | 14 | 15 | 38 |
| 63431000 | links | 10 | 9 | 7 | 28 | 15 | 19 | 16 | 43 | 20 | M10 | 1,5 | 17 | 12 | 60 |
| 63431200 | links | 12 | 10 | 8 | 34 | 17,5 | 22 | 18 | 50 | 22 | M12 | 1,75 | 19 | 11 | 96 |
| 63431500 | links | 15 | 12 | 10 | 40 | 21 | 26 | 22 | 61 | 29 | M14 | 2,0 | 22 | 8 | 180 |
| 63431600 | links | 16 | 14 | 11 | 46 | 24 | 30 | 25 | 67 | 33 | M16 | 2,0 | 27 | 10 | 220 |
| 63431700 | links | 17 | 14 | 11 | 46 | 24 | 30 | 25 | 67 | 33 | M16 | 2,0 | 27 | 10 | 220 |
| 63432000 | links | 20 | 16 | 13 | 53 | 27,5 | 35 | 29 | 77 | 38 | M20x1,5 | 1,5 | 32 | 9 | 350 |
| 63432500 | links | 25 | 20 | 17 | 64 | 33,5 | 42 | 35,5 | 94 | 48 | M24x2 | 2,0 | 36 | 7 | 640 |
| 63433000 | links | 30 | 22 | 19 | 73 | 40 | 50 | 40,7 | 110 | 56 | M30x2 | 2,0 | 41 | 6 | 930 |
| 63433500 | links | 35 | 25 | 21 | 82 | 47 | 58 | 47 | 125 | 60 | M36x3 | 3,0 | 50 | 6 | 1300 |
| 63434000 | links | 40 | 28 | 23 | 92 | 52 | 65 | 53 | 142 | 65 | M39x3 | 3,0 | 55 | 7 | 2000 |
| 63434500 | links | 45 | 32 | 27 | 102 | 58 | 70 | 60 | 145 | 65 | M42x3 | 3,0 | 60 | 7 | 2500 |
| 63435000 | links | 50 | 35 | 30 | 112 | 62 | 75 | 66 | 160 | 68 | M45x3 | 3,0 | 65 | 6 | 3500 |
| 63436000 | links | 60 | 44 | 38 | 135 | 70 | 88 | 80 | 175 | 70 | M52x3 | 3,0 | 75 | 6 | 5550 |
| 63437000 | links | 70 | 49 | 42 | 160 | 80 | 98 | 92 | 200 | 80 | M56x4 | 4,0 | 85 | 6 | 8600 |
| 63438000 | links | 80 | 55 | 47 | 180 | 95 | 110 | 105 | 235 | 85 | M64x4 | 4,0 | 100 | 6 | 12000 |