Posuvné náboje FS
Material: Hub: Steel, zinc-plated and passivated. Spring: Steel, black. The sliding hubs can be delivered ex stock, pre-drilled with standard bush length. Required bush length: The required bush length depends on the width of the component to be joined. Up to Prod. No. 612 006 00: Bush length 4.2 mm for a component width of 5.3 to 6.0 mm. From Prod. No. 612 010 00: Bush length in mm = 1.5 x s + b. Other bush lengths and customized bores or feather-key grooves against extra charge.
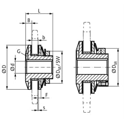
| SKU | Size | Disc springs [quantity] | Torque [Nm] | Speed [min-1] | Pilot Bore d [mm] | Bore d max. [mm] | Outer-Ø D [mm] | B [mm] | Bore of Sprocket [mm H8] | b max. [mm] | Standard Bush Length [mm] | Alternative Bush Length [mm] | F [mm] | s [mm] | L [mm] | SW [mm] | DM [mm] | M [mm] | G [mm] | Weight [kg] |
|---|---|---|---|---|---|---|---|---|---|---|---|---|---|---|---|---|---|---|---|---|
| 61200000 | 120-1 | 2 | 0,5 - 5 | 10000 | 3,7 | 10 | 30 | 8,5 | 21,00 | 6 | 4,2 | - | 2 | 2,5 | 31 | - | 30 | M16 | M4 | 0,15 |
| 61200100 | 120-2 | 4 | 1 - 10 | 10000 | 3,7 | 10 | 30 | 8,5 | 21,00 | 6 | 4,2 | - | 2 | 2,5 | 31 | - | 30 | M16 | M4 | 0,17 |
| 61200500 | 180-1 | 1 | 2 - 10 | 8500 | 5,7 | 20 | 45 | 8,5 | 34,00 | 7 | 4,2 | - | 2 | 2,5 | 33 | - | 45 | M30 | M4 | 0,35 |
| 61200600 | 180-2 | 2 | 4 - 20 | 8500 | 5,7 | 20 | 45 | 8,5 | 34,00 | 7 | 4,2 | - | 2 | 2,5 | 33 | - | 45 | M30 | M4 | 0,37 |
| 61201000 | 250-1 | 1 | 7 - 34 | 3000 | 10 | 22 | 64 | 16 | 41,33 | 9 | 10,3 | 14 | 5 | 4,0 | 48 | SW 50 | - | M35 | M5 | 0,70 |
| 61202000 | 250-2 | 2 | 14 - 68 | 3000 | 10 | 22 | 64 | 16 | 41,33 | 9 | 10,3 | 14 | 5 | 4,0 | 48 | SW 50 | - | M35 | M5 | 0,72 |
| 61203000 | 350-1 | 1 | 20 - 90 | 2500 | 13 | 25 | 90 | 19 | 49,28 | 16 | 13,7 | 21 | 5 | 4,0 | 62 | SW 60 | - | M42 | M6 | 1,36 |
| 61204000 | 350-2 | 2 | 40 - 180 | 2500 | 13 | 25 | 90 | 19 | 49,28 | 16 | 13,7 | 21 | 5 | 4,0 | 62 | SW 60 | - | M42 | M6 | 1,40 |
| 61205000 | 500-1 | 1 | 50 - 300 | 1600 | 19 | 40 | 127 | 21 | 73,10 | 16 | 16 | 21 | 6 | 4,0 | 76 | - | 92 | M63 | M8 | 3,36 |
| 61206000 | 500-2 | 2 | 100 - 600 | 1600 | 19 | 40 | 127 | 21 | 73,10 | 16 | 16 | 21 | 6 | 4,0 | 76 | - | 92 | M63 | M8 | 3,70 |
| 61207000 | 700-1 | 1 | 115 - 690 | 1200 | 24 | 60 | 178 | 25 | 104,88 | 28 | 20,6 | 22 | 6 | 5,0 | 98 | - | 133 | M95 | M10 | 8,60 |
| 61208000 | 700-2 | 2 | 230 - 1360 | 1200 | 24 | 60 | 178 | 25 | 104,88 | 28 | 20,6 | 22 | 6 | 5,0 | 98 | - | 133 | M95 | M10 | 8,90 |