Klzné spojky typu A,
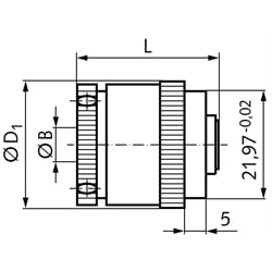
Material: Housing made of aluminium alloy with iridite NCP finish. Inner hub made of steel. As sliding hub for a driving wheel, for concentric arrangement. The driving wheel hasto be mounted and bonded by the customer on the outer diameter 21.97mm +0/-0,02mm. The construction is simple and basically consists of 4 or 6 clutch plates which are connected to the inner hub and held by the outer housing. Max. slip-speed 1000 rpm. Torsional backlash of the coupling below 2°. Torque range with 2 friction plates 2.4 Ncm to 53.8 Ncm. Torque range with 6 friction plates 7.8 Ncm to 132.4 Ncm. Maximum operating temperature 80°C. An adjusting ring - screwed to the outer body - serves to adjust the torque. Two sintered bearing sleeves serve as bearing housing to inner component. An O-ring seals the hub off against dirt.
| SKU | Type | No. of Clutch Disks [pcs] | L [mm] | L1 [mm] | L2 [mm] | D1 [mm] | D2 [mm] | Bore B +0,03/-0 Side1 [mm] | Bore B +0,03/-0 Side 2 [mm] | Adjustment Screw Size Seite 1 | Adjustment Screw Seite 2 | Weight [g] | Matching Disk |
|---|---|---|---|---|---|---|---|---|---|---|---|---|---|
| 61040300 | A | 2 | 26,4 | * | - | 25,8 | 21,97 | 6 | 6 | M 3x3, 2x90º | - | 37 | - |
| 61040400 | A | 2 | 26,4 | * | - | 25,8 | 21,97 | 8 | 8 | M 3x3, 2x90º | - | 37 | - |
| 61040800 | A | 6 | 32,4 | * | - | 25,8 | 21,97 | 6 | 6 | M 3x3, 2x90º | - | 48 | - |
| 61040900 | A | 6 | 32,4 | * | - | 25,8 | 21,97 | 8 | 8 | M 3x3, 2x90º | - | 48 | - |