Sady ozubených kolies pre napínače reťazí, trojité B-3
Material: Sprockets from steel C45.
Bearings from roller bearing steel. Screw and nuts from steel, zinc-plated.
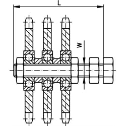
The sprockets can be moved on the screw and thus be aligned with the chain. They are locked in the desired position by the nuts. The permanently lubricated 2Z bearings enable a light running. Accurate-to-size spacers guarantee perfect meshing of teeth and sprocket.
Temerature range: -20° to +120°C.
| SKU | DIN / ISO-Nr. | Pitch [in.] | For Tensioner [Size] | No. of Teeth | Pitch Circle Ø [mm] | W [mm] | L [mm] | Weight [kg] |
|---|---|---|---|---|---|---|---|---|
| 14053101 | 06 B-3 | 3/8 x 7/32 | 2 | 15 | 45,81 | M10 | 70 | 0,25 |
| 14053501 | 08 B-3 | 1/2 x 5/16 | 2 * und 3 | 15 | 61,08 | M12 | 80 | 0,5 |
| 14053601 | 10 B-3 | 5/8 x 3/8 | 3 | 15 | 76,36 | M12 | 80 | 0,95 |
| 14053701 | 12 B-3 | 3/4 x 7/16 | 4 | 15 | 91,63 | M20 | 120 | 1,5 |