Product image
Product image

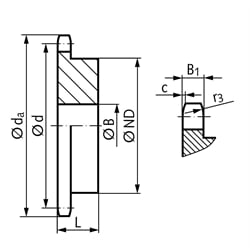
Material: Steel C45, teeth induction hardened (≈ HRC 50). Pre-bored. Sprockets marked with 1) are from steel St52 with welded hub. General dimensions: B1 = 18.5 mm, c = 3.5 mm, r3 = 32 mm. Other dimensions: See the table.

SKU Zähnezahl da [mm] d [mm] ND [mm] B [mm] L [mm] Weight [kg]
10988108 8 96,5 82,97 53 20 40 0,95
10988109 9 106,7 92,83 63 20 40 1,29
10988110 10 116,9 102,75 70 20 40 1,62
10988111 11 127,1 112,70 77 20 45 2,16
10988112 12 137,2 122,67 88 20 45 2,70
10988113 13 147,4 132,67 98 20 45 3,28
10988114 14 157,5 142,68 108 20 45 3,91
10988115 15 167,7 152,71 118 20 45 4,60
10988116 16 177,8 162,75 120 25 50 5,38
10988117 17 188,0 172,79 120 25 50 5,75
10988118 18 198,1 182,84 120 25 50 6,15
10988119 19 208,2 192,90 120 25 50 6,58
10988120 20 218,4 202,96 120 25 50 7,02
10988121 21 228,5 213,03 140 25 55 9,06
10988122 22 238,6 223,10 140 25 55 9,55
10988123 23 248,7 233,17 140 25 55 10,06
10988124 24 258,9 243,25 140 25 55 10,59
10988125 25 269,0 253,32 140 25 55 11,15
10988126 26 279,1 263,41 150 25 55 12,38
10988127 27 289,2 273,49 150 25 30 12,89
10988128 28 299,3 283,57 150 25 55 13,61
10988129 29 309,5 293,66 150 25 55 14,26
10988130 30 319,6 303,75 150 30 55 14,84
10988132 32 339,8 323,92 150 25 55 16,35
10988134 34 360,0 344,10 150 25 55 17,86
10988135 35 370,1 354,20 150 30 55 19,25
10988136 36 380,3 364,29 150 25 55 19,46
10988140 40 420,7 404,67 150 25 55 22,95