Sprockets KRS with One-Sided Hub, ANSI 35-1 (ASA 06 C-1, ex DIN 8188)
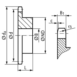
Material: Steel C45, not hardened. Pre-bored. General dimensions: B1 = 4.4 mm, c = 1.2 mm, r3 = 10 mm. Other dimensions: See the table.
| SKU | No. of Teeth | da [mm] | d [mm] | ND [mm] | B [mm] | L [mm] | Weight [g] |
|---|---|---|---|---|---|---|---|
| A10111000 | 10 | 35,7 | 30,82 | 20 | 8 | 22 | 59 |
| A10111100 | 11 | 38,8 | 33,81 | 22 | 8 | 25 | 81 |
| A10111200 | 12 | 41,8 | 36,80 | 25 | 8 | 25 | 104 |
| A10111300 | 13 | 44,9 | 39,80 | 28 | 10 | 25 | 125 |
| A10111400 | 14 | 47,9 | 42,80 | 31 | 10 | 25 | 153 |
| A10111500 | 15 | 50,9 | 45,81 | 34 | 10 | 25 | 185 |
| A10111600 | 16 | 54,0 | 48,82 | 38 | 10 | 28 | 254 |
| A10111700 | 17 | 57,0 | 51,84 | 38 | 10 | 28 | 262 |
| A10111800 | 18 | 60,1 | 54,85 | 38 | 10 | 28 | 270 |
| A10111900 | 19 | 63,1 | 57,87 | 46 | 10 | 28 | 376 |
| A10112000 | 20 | 66,1 | 60,89 | 46 | 10 | 28 | 386 |
| A10112100 | 21 | 69,2 | 63,91 | 46 | 12 | 28 | 388 |
| A10112200 | 22 | 72,2 | 66,93 | 52 | 12 | 28 | 484 |
| A10112300 | 23 | 75,3 | 69,95 | 52 | 12 | 28 | 495 |
| A10112400 | 24 | 78,3 | 72,97 | 52 | 12 | 28 | 506 |
| A10112500 | 25 | 81,3 | 76,00 | 58 | 12 | 28 | 614 |
| A10112600 | 26 | 84,4 | 79,02 | 58 | 12 | 28 | 627 |
| A10112700 | 27 | 87,4 | 82,05 | 58 | 12 | 28 | 640 |
| A10112800 | 28 | 90,4 | 85,07 | 60 | 12 | 28 | 687 |
| A10113000 | 30 | 96,5 | 91,12 | 60 | 12 | 28 | 716 |