Čelné ozubené kolesá, mosadz, Modul 0,3
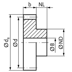
Material: Brass Ms58 (2.0401). Milled, straight teeth. Tooth quality 8d DIN 58405. Pressure angle 20°. Up to 30 teeth without hub. From 40 teeth with hub. ** up to a No. of Teeth of 30, the teeth run over the entire width of the gear.
| SKU | No. of Teeth | b** [mm] | da [mm] | d [mm] | NL [mm] | ND [mm] | BH7 [mm] | Admissible MD [Ncm] | Weight [g] |
|---|---|---|---|---|---|---|---|---|---|
| 26001000 | 10 | 5 | 3,6 | 3,0 | - | - | 1,0 | 0,14 | 0,1 |
| 26001200 | 12 | 5 | 4,2 | 3,6 | - | - | 1,5 | 0,18 | 0,2 |
| 26001400 | 14 | 5 | 4,8 | 4,2 | - | - | 2,0 | 0,23 | 0,4 |
| 26001500 | 15 | 5 | 5,1 | 4,5 | - | - | 2,0 | 0,25 | 0,5 |
| 26001600 | 16 | 5 | 5,4 | 4,8 | - | - | 2,0 | 0,27 | 0,6 |
| 26001800 | 18 | 5 | 6,0 | 5,4 | - | - | 2,0 | 0,36 | 0,8 |
| 26002000 | 20 | 5 | 6,6 | 6,0 | - | - | 2,0 | 0,40 | 1,0 |
| 26002200 | 22 | 5 | 7,2 | 6,6 | - | - | 2,0 | 0,49 | 1,3 |
| 26002400 | 24 | 5 | 7,8 | 7,2 | - | - | 2,0 | 0,60 | 1,4 |
| 26002500 | 25 | 5 | 8,1 | 7,5 | - | - | 2,0 | 0,65 | 1,6 |
| 26003000 | 30 | 5 | 9,6 | 9,0 | - | - | 2,0 | 1,00 | 2,3 |
| 26004000 | 40 | 2 | 12,6 | 12,0 | 3 | 10,0 | 3,0 | 1,85 | 3,5 |
| 26005000 | 50 | 2 | 15,6 | 15,0 | 5 | 10,0 | 3,0 | 3,00 | 5,7 |
| 26006000 | 60 | 2 | 18,6 | 18,0 | 5 | 10,0 | 3,0 | 4,50 | 6,9 |
| 26008000 | 80 | 2 | 24,6 | 24,0 | 5 | 15,0 | 3,0 | 8,50 | 14,7 |
| 26010000 | 100 | 2 | 30,6 | 30,0 | 5 | 15,0 | 3,0 | 14,00 | 18,5 |
| 26012000 | 120 | 2 | 36,6 | 36,0 | 5 | 15,0 | 3,0 | 21,00 | 23,7 |