Čelné ozubené kolesá, Polyacetal, Modul 0.5
Material: Polyacetal resin die-cast. Bores machined. Pressure angle 20°. With high hardness and low friction coefficient these plastic gears can be used in various set-ups, even under water. Note Regarding the Machining Inside these die-cast parts are some cavities caused by production. These parts should therefore not be drilled too deep. With larger bores or when grooving the cavities might become visible. This often does not affect the functionality.
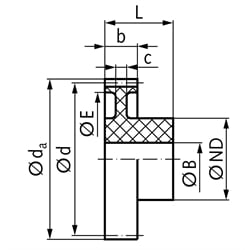
| SKU | No. of Teeth | b [mm] | da [mm] | d [mm] | L [mm] | E [mm] | c [mm] | ND [mm] | BH9 [mm] | Admissible MD [Ncm] | Weight [g] |
|---|---|---|---|---|---|---|---|---|---|---|---|
| 28101200 | 12 | 3 | 7,0 | 6,0 | 7 | - | - | 4 | 2 | 0,8 | 0,14 |
| 28101300 | 13 | 3 | 7,5 | 6,5 | 7 | - | - | 4 | 2 | 0,9 | 0,16 |
| 28101400 | 14 | 3 | 8,0 | 7,0 | 7 | - | - | 5 | 2 | 1,0 | 0,22 |
| 28101500 | 15 | 3 | 8,5 | 7,5 | 10 | - | - | 6 | 3 | 1,1 | 0,34 |
| 28101600 | 16 | 3 | 9,0 | 8,0 | 10 | - | - | 6 | 3 | 1,2 | 0,35 |
| 28101700 | 17 | 3 | 9,5 | 8,5 | 10 | - | - | 6 | 3 | 1,3 | 0,39 |
| 28101800 | 18 | 3 | 10,0 | 9,0 | 10 | - | - | 7,8 | 4 | 1,5 | 0,53 |
| 28101900 | 19 | 3 | 10,5 | 9,5 | 10 | - | - | 7,8 | 4 | 1,7 | 0,57 |
| 28102000 | 20 | 3 | 11,0 | 10,0 | 10 | - | - | 7,9 | 4 | 1,9 | 0,60 |
| 28102100 | 21 | 3 | 11,5 | 10,5 | 10 | - | - | 8 | 4 | 2,1 | 0,63 |
| 28102200 | 22 | 3 | 12,0 | 11,0 | 10 | - | - | 9,9 | 4 | 2,4 | 0,92 |
| 28102300 | 23 | 3 | 12,5 | 11,5 | 10 | - | - | 9,9 | 4 | 2,6 | 0,95 |
| 28102400 | 24 | 3 | 13,0 | 12,0 | 10 | - | - | 9,9 | 4 | 2,9 | 0,99 |
| 28102500 | 25 | 3 | 13,5 | 12,5 | 10 | - | - | 9,9 | 4 | 3,2 | 1,03 |
| 28102600 | 26 | 3 | 14,0 | 13,0 | 10 | - | - | 9,9 | 4 | 3,5 | 1,08 |
| 28102700 | 27 | 3 | 14,5 | 13,5 | 10 | - | - | 9,9 | 4 | 3,8 | 1,12 |
| 28102800 | 28 | 3 | 15,0 | 14,0 | 10 | - | - | 11,9 | 4 | 4,2 | 1,20 |
| 28103000 | 30 | 3 | 16,0 | 15,0 | 10 | - | - | 11,9 | 4 | 4,9 | 1,55 |
| 28103200 | 32 | 3 | 17,0 | 16,0 | 10 | - | - | 12 | 4 | 5,7 | 1,68 |
| 28103500 | 35 | 3 | 18,5 | 17,5 | 10 | - | - | 12 | 4 | 7,0 | 1,86 |
| 28103600 | 36 | 3 | 19,0 | 18,0 | 10 | - | - | 11,9 | 4 | 7,5 | 1,90 |
| 28103800 | 38 | 3 | 20,0 | 19,0 | 10 | - | - | 12 | 4 | 8,5 | 2,01 |
| 28104000 | 40 | 3 | 21,0 | 20,0 | 10 | 14,8 | 2 | 12 | 4 | 9,5 | 2,01 |
| 28104200 | 42 | 3 | 22,0 | 21,0 | 10 | 17,0 | 2 | 12,15 | 4 | 10,6 | 2,14 |
| 28104500 | 45 | 3 | 23,5 | 22,5 | 10 | 18,0 | 2 | 12,15 | 4 | 12,5 | 2,33 |
| 28104800 | 48 | 3 | 25,0 | 24,0 | 10 | 19,0 | 2 | 15 | 6 | 14,5 | 3,03 |
| 28105000 | 50 | 3 | 26,0 | 25,0 | 10 | 20,0 | 2 | 15 | 6 | 16,0 | 3,11 |
| 28105200 | 52 | 3 | 27,0 | 26,0 | 10 | 21,0 | 2 | 15 | 6 | 17,5 | 3,24 |
| 28105400 | 54 | 3 | 28,0 | 27,0 | 10 | 21,0 | 2 | 15 | 6 | 19,0 | 3,43 |
| 28105500 | 55 | 3 | 28,5 | 27,5 | 10 | 23,0 | 2 | 15 | 6 | 19,8 | 3,47 |
| 28105600 | 56 | 3 | 29,0 | 28,0 | 10 | 23,0 | 2 | 15 | 6 | 20,4 | 3,61 |
| 28106000 | 60 | 3 | 31,0 | 30,0 | 10 | 23,0 | 2 | 15 | 6 | 21,2 | 3,88 |
| 28106400 | 64 | 3 | 33,0 | 32,0 | 10 | 23,0 | 2 | 15 | 6 | 23,5 | 4,33 |
| 28106500 | 65 | 3 | 33,5 | 32,5 | 10 | 23,0 | 2 | 15 | 6 | 23,9 | 4,42 |
| 28107000 | 70 | 3 | 36,0 | 35,0 | 10 | 29,0 | 2 | 15 | 6 | 25,8 | 4,62 |
| 28107200 | 72 | 3 | 37,0 | 36,0 | 10 | 30,0 | 2 | 15 | 6 | 26,5 | 4,89 |
| 28107500 | 75 | 3 | 38,5 | 37,5 | 10 | 33,0 | 2 | 15 | 6 | 27,7 | 4,86 |
| 28108000 | 80 | 3 | 41,0 | 40,0 | 10 | 33,0 | 2 | 15 | 6 | 29,5 | 5,68 |
| 28109000 | 90 | 3 | 46,0 | 45,0 | 10 | 39,0 | 2 | 15 | 6 | 33,2 | 6,55 |
| 28109600 | 96 | 3 | 49,0 | 48,0 | 10 | 42,0 | 2 | 15 | 6 | 35,5 | 6,90 |
| 28110000 | 100 | 3 | 51,0 | 50,0 | 10 | 44,0 | 2 | 15 | 6 | 37,0 | 7,51 |
| 28112000 | 120 | 3 | 61,0 | 60,0 | 10 | 54,0 | 2 | 15 | 6 | 44,0 | 10,3 |