Product image
Product image

Material: Tempered steel, tensile strength 10, black.

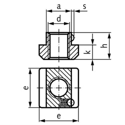
T-slot nuts according to the old standard DIN 508, but with spring-loaded ball against unintended moving. The loose nut will be held, even in vertical position.

Suitable for T-slots DIN 650 / ISO 299.

SKU d [mm] für T-Nut [mm] a [mm] e [mm] h [mm] k [mm] s ≈ [mm] Gewicht [g]
65510810K M8 10 9,6 15 12 6 0,65 14
65511012K M10 12 11,6 18 14 7 0,8 22
65511214K M12 14 13,6 22 16 8 0,9 34
65511618K M16 18 17,6 28 20 10 1,0 68
65512022K M20 22 21,6 35 28 14 1,6 155