Kužeľové puzdrá 3020
Material: GG25.
Bores ISO E8. Keyways in accordance with DIN 6885/1. Inch bores with feather keyways like British Standard (BS). Screws included in delivery (spare screw product no. 622 507 99, order quantity as needed). Screw size BSW 5/8" x 1 1/4". Spanner size 8 mm. Cone and front side ground. Shaft tolerance +0,5 mm / -0,125 mm. Can be used with or without feather key, depending on the required torque. Other bush sizes and bores are available on short notice (some in stock).
In this youtube video we show the mounting and demounting of taper bushes: Video clip (3.5 Minutes)
Fastening torque: 90 Nm. Slip torque without keyway: bore 38 mm: 480 Nm; bore 48 mm: 600 Nm; bore 60 mm: 900 Nm; bore 75: 1300 Nm.
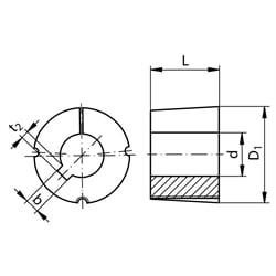
| SKU | Clamping Bush Type | Bore B [mm] | Nut Width [mm] | Nuttiefe t2 [mm] | L [mm] | D1 [mm] | Weight [g] |
|---|---|---|---|---|---|---|---|
| 62250720 | 3020 | 20 | 6 | 2,8 | 50,8 | 108 | 3,00 |
| 62250725 | 3020 | 25 | 8 | 3,3 | 50,8 | 108 | 2,91 |
| 62250728 | 3020 | 28 | 8 | 3,3 | 50,8 | 108 | 2,79 |
| 62250730 | 3020 | 30 | 8 | 3,3 | 50,8 | 108 | 2,84 |
| 62250732 | 3020 | 32 | 10 | 3,3 | 50,8 | 108 | 2,80 |
| 62250735 | 3020 | 35 | 10 | 3,3 | 50,8 | 108 | 2,75 |
| 62250738 | 3020 | 38 | 10 | 3,3 | 50,8 | 108 | 2,70 |
| 62250740 | 3020 | 40 | 12 | 3,3 | 50,8 | 108 | 2,64 |
| 6225074127 | 3020 | 1 5/8" | 7/16" | 5/32" | 50,8 | 108 | 2,64 |
| 62250742 | 3020 | 42 | 12 | 3,3 | 50,8 | 108 | 2,59 |
| 62250745 | 3020 | 45 | 14 | 3,8 | 50,8 | 108 | 2,52 |
| 62250748 | 3020 | 48 | 14 | 3,8 | 50,8 | 108 | 2,43 |
| 62250750 | 3020 | 50 | 14 | 3,8 | 50,8 | 108 | 2,37 |
| 62250755 | 3020 | 55 | 16 | 4,3 | 50,8 | 108 | 2,23 |
| 62250760 | 3020 | 60 | 18 | 4,4 | 50,8 | 108 | 2,00 |
| 62250765 | 3020 | 65 | 18 | 4,4 | 50,8 | 108 | 1,89 |
| 62250770 | 3020 | 70 | 20 | 4,9 | 50,8 | 108 | 1,70 |
| 62250775 | 3020 | 75 | 20 | 4,9 | 50,8 | 108 | 1,49 |